Réponse directe
Un relais de surcharge thermique assure uniquement la protection contre les surcharges pour les moteurs et doit être associé à un disjoncteur séparé pour la protection contre les courts-circuits, tandis qu'un disjoncteur de protection moteur (MPCB) est un dispositif intégré qui combine la protection contre les surcharges, la protection contre les courts-circuits et souvent la détection de défaut de phase dans une seule unité compacte. La principale différence réside dans la fonctionnalité : les relais de surcharge thermique protègent contre les conditions de surintensité prolongées grâce à des éléments thermiques, tandis que les MPCB offrent une protection complète du moteur, y compris un déclenchement magnétique instantané pour les courts-circuits, des réglages de surcharge thermique ajustables et des capacités de commutation manuelle, ce qui rend les MPCB plus polyvalents mais généralement plus coûteux que la combinaison traditionnelle contacteur-relais de surcharge.
Principaux enseignements
- Relais de surcharge thermique nécessitent un disjoncteur en amont séparé pour une protection complète du moteur, tandis que Les MPCB intègrent plusieurs fonctions de protection dans un seul appareil
- Les MPCB réagissent aux courts-circuits en quelques millisecondes en utilisant des mécanismes de déclenchement magnétique, tandis que les relais de surcharge thermique ne traitent que les conditions de surcharge prolongées
- Considération des coûts: Les relais de surcharge thermique sont individuellement moins chers, mais nécessitent des composants supplémentaires ; les MPCB ont des coûts initiaux plus élevés, mais réduisent le temps d'installation et l'espace du panneau jusqu'à 40 %
- Protection contre les défaillances de phase est standard dans la plupart des MPCB, mais absent dans les relais de surcharge thermique de base, ce qui rend les MPCB supérieurs pour les applications de moteurs triphasés
- Ajustabilité: Les MPCB offrent généralement des plages de réglage de courant précises (souvent ±20 % de la valeur nominale), tandis que les relais de surcharge thermique peuvent avoir des capacités de réglage limitées
- Le contexte d'application est important: Utilisez des relais de surcharge thermique avec des contacteurs pour les applications nécessitant une commande à distance ou une coordination de plusieurs moteurs ; choisissez les MPCB pour la protection autonome des moteurs avec des contraintes d'espace
Comprendre les relais de surcharge thermique
Les relais de surcharge thermique sont l'épine dorsale de la protection des moteurs depuis des décennies. Ces dispositifs électromécaniques utilisent des bilames ou des éléments en alliage eutectique qui réagissent à la chaleur générée par un flux de courant excessif. Lorsqu'un moteur consomme du courant au-delà de sa capacité nominale pendant une période prolongée, l'effet de chauffage provoque la flexion de l'élément bilame ou la fusion de l'alliage eutectique, déclenchant une libération mécanique qui ouvre les contacts auxiliaires. Ces contacts désexcitent ensuite le contacteur bobine, déconnectant le moteur de l'alimentation électrique.

Le principe fondamental des relais de surcharge thermique reflète les caractéristiques thermiques des moteurs électriques eux-mêmes. Les moteurs peuvent tolérer de brèves surcharges pendant le démarrage (consommant souvent 600 à 800 % du courant à pleine charge pendant plusieurs secondes), mais des conditions de surintensité soutenues entraînent une dégradation de l'isolation de l'enroulement et une défaillance éventuelle. Les relais de surcharge thermique sont conçus avec des caractéristiques de temps-courant inverses qui permettent ces surtensions transitoires tout en protégeant contre les surcharges soutenues dommageables.
Comment fonctionnent les relais de surcharge thermique
Le fonctionnement repose sur la dilatation thermique différentielle. Dans les conceptions à bilames, deux métaux avec des coefficients de dilatation thermique différents sont liés ensemble. Lorsque le courant circule dans le circuit du moteur, la génération de chaleur augmente proportionnellement aux pertes I²R. Cette chaleur est transférée à l'élément bilame, le faisant se plier vers le métal ayant le coefficient de dilatation le plus faible. Une fois que la déflexion atteint un seuil prédéterminé, elle libère mécaniquement un mécanisme de déclenchement qui ouvre les contacts normalement fermés dans le circuit de commande.

Les relais de surcharge à alliage eutectique utilisent une approche différente. Un élément chauffant entoure une soudure en alliage eutectique qui maintient une roue à rochet en place. Dans des conditions de surcharge, la soudure fond à sa température eutectique précise, libérant le rochet et permettant à un ressort de faire pivoter le mécanisme de déclenchement. Cette conception offre une excellente répétabilité et précision, en particulier dans les applications avec des températures ambiantes stables.
Limites des relais de surcharge thermique
Malgré leur fiabilité, les relais de surcharge thermique ont des limitations inhérentes que les ingénieurs doivent comprendre. Ils fournissent aucune protection contre les courts-circuits—si un défaut phase-phase ou phase-terre se produit, le courant résultant peut être 10 à 50 fois le courant à pleine charge du moteur, dépassant de loin la capacité de coupure du relais. Cela nécessite un disjoncteur ou un fusible en amont dimensionné pour le courant de défaut disponible.
Les relais de surcharge thermique manquent également de détection de perte de phase dans les modèles de base. La monophasé (lorsqu'une phase d'une alimentation triphasée tombe en panne) amène le moteur à consommer un courant excessif dans les phases restantes tout en produisant un couple réduit. Sans protection dédiée contre la défaillance de phase, le moteur peut surchauffer et tomber en panne avant le déclenchement de la surcharge thermique. De plus, les relais de surcharge thermique ne peuvent pas déconnecter manuellement le moteur pour la maintenance ; ils interrompent uniquement le circuit de commande, nécessitant que le contacteur effectue la commutation de charge réelle.
Comprendre les disjoncteurs de protection moteur (MPCB)
Les disjoncteurs de protection moteur représentent une évolution dans la technologie de protection des moteurs, intégrant plusieurs fonctions de protection dans un seul appareil compact. Un MPCB combine la protection contre les surcharges thermiques d'un relais avec la protection instantanée contre les courts-circuits d'un disjoncteur, plus une capacité de commutation manuelle et souvent une détection de défaillance de phase. Cette intégration répond aux limitations des schémas de protection traditionnels tout en réduisant la complexité du panneau.

Mécanisme de double protection
Les MPCB utilisent un mécanisme de déclenchement thermo-magnétique qui fournit deux couches distinctes de protection. L'élément thermique (généralement un bilame réglable) surveille le flux de courant et déclenche le disjoncteur lorsque des conditions de surcharge soutenues dépassent le seuil prédéfini. Ce déclenchement thermique fonctionne sur une courbe temps-courant inverse similaire aux relais de surcharge thermique, permettant les courants de démarrage du moteur tout en protégeant contre les surcharges prolongées.

L'élément de déclenchement magnétique fournit une protection instantanée contre les courts-circuits. Lorsque le courant de défaut dépasse un multiple prédéterminé du courant nominal (généralement 10 à 14 fois), le champ magnétique généré par le courant actionne un mécanisme de déclenchement en quelques millisecondes. Cette réponse rapide empêche d'endommager les enroulements du moteur, les câbles et l'équipement en aval. Le déclenchement magnétique fonctionne indépendamment de la température, assurant une protection fiable même dans des conditions ambiantes extrêmes.
Fonctionnalités avancées des MPCB modernes
Les MPCB contemporains intègrent des fonctionnalités qui vont au-delà de la protection de base. Sensibilité à la défaillance de phase détecte le déséquilibre de tension ou la perte de phase complète, déclenchant le disjoncteur avant que la monophasé ne puisse endommager le moteur. Paramètres de voyage réglables permettent une adaptation précise aux caractéristiques du moteur : la plupart des MPCB offrent des plages de réglage de courant de ±20 à 25 % autour de la valeur nominale, permettant à un seul appareil de protéger les moteurs avec des courants à pleine charge légèrement différents.
De nombreux MPCB incluent mécanismes d'indication de déclenchement qui différencient les déclenchements de surcharge thermique et les déclenchements de court-circuit magnétique. Cette capacité de diagnostic accélère le dépannage en identifiant immédiatement le type de défaut. Certains modèles avancés disposent de contacts auxiliaires pour la signalisation à distance, bobines de déclenchement shunt pour l'intégration de l'arrêt d'urgence, et déclencheurs à minimum de tension qui empêchent le redémarrage automatique après le rétablissement de l'alimentation.
Comparaison complète : Relais de surcharge thermique vs. MPCB
| Fonctionnalité | Thermal Overload Relay | Disjoncteur de protection moteur (MPCB) |
|---|---|---|
| Protection contre les surcharges | Oui (élément thermique) | Oui (élément thermique réglable) |
| Protection contre les courts-circuits | Non (nécessite un disjoncteur séparé) | Oui (déclenchement magnétique intégré) |
| Détection de défaillance de phase | Non (sauf modèle spécialisé) | Oui (standard dans la plupart des modèles) |
| Commutation manuelle | Non (déclenche uniquement le circuit de commande) | Oui (fonctionnement ON/OFF manuel) |
| Temps de réponse au déclenchement (surcharge) | 5-30 secondes à 150 % FLC | 5-30 secondes à 150 % FLC |
| Temps de réponse au déclenchement (court-circuit) | N/A | <10 millisecondes |
| Plage de réglage du courant | Limitée (classe souvent fixe) | Large (généralement ±20-25 %) |
| Espace d'installation | Nécessite un contacteur + un relais + un disjoncteur | Dispositif intégré unique |
| La Complexité De Câblage | Plus élevé (composants multiples) | Plus faible (moins de connexions) |
| Indication de déclenchement | Basique (bouton de réarmement manuel) | Avancé (différenciation thermique/magnétique) |
| Coût typique (par moteur) | $15-50 (relais uniquement, disjoncteur non inclus) | $60-200 (protection complète) |
| Méthode de réinitialisation | Manuel ou automatique | Manuel uniquement |
| Contacts auxiliaires | Oui (standard) | Optionnel (selon le modèle) |
| Meilleure application | Commande multi-moteurs, sorties VFD | Protection moteur autonome, panneaux à espace limité |

Quand utiliser les relais de surcharge thermique
Les relais de surcharge thermique restent le choix optimal dans des applications spécifiques où leurs caractéristiques correspondent aux exigences du système. Applications d'entraînement à fréquence variable (VFD) bénéficient souvent de relais de surcharge thermique côté sortie. Étant donné que les VFD offrent une protection inhérente contre les courts-circuits et une limitation de courant, la fonction de déclenchement magnétique du MPCB devient redondante. L'utilisation d'un contacteur avec relais de surcharge thermique sur la sortie VFD fournit une protection contre les surcharges spécifique au moteur tout en permettant au VFD de gérer les conditions de défaut.
Coordination de plusieurs moteurs les scénarios privilégient les relais de surcharge thermique. Lorsque plusieurs moteurs fonctionnent à partir d'une source d'alimentation commune avec des exigences de commande individuelles, l'utilisation de contacteurs avec des relais de surcharge thermique fournit une protection indépendante contre les surcharges pour chaque moteur tout en partageant la protection contre les courts-circuits en amont. Cette architecture réduit les coûts par rapport aux MPCB individuels pour chaque moteur. Les contacts auxiliaires du relais s'intègrent parfaitement aux systèmes de commande PLC, permettant une logique d'interverrouillage et de séquencement sophistiquée.
Applications nécessitant des classes de déclenchement spécifiques peuvent nécessiter des relais de surcharge thermique. Classes de déclenchement (Classe 10, 20, 30) définissent le temps maximal autorisé pour le déclenchement du dispositif de surcharge à 600% du courant de pleine charge. Les charges à forte inertie comme les ventilateurs centrifuges ou les grands volants d'inertie nécessitent une protection de classe 20 ou 30 pour tenir compte des temps d'accélération prolongés. Bien que certains MPCB offrent des classes de déclenchement réglables, les relais de surcharge thermique offrent une plus large sélection de caractéristiques de déclenchement spécialisées.
Quand utiliser les disjoncteurs de protection moteur
Les MPCB excellent dans les applications où leur fonctionnalité intégrée offre des avantages tangibles. Les panneaux de commande à espace limité bénéficient considérablement de l'installation de MPCB. En éliminant le disjoncteur séparé et en réduisant l'encombrement du contacteur plus relais, les MPCB peuvent réduire les besoins en espace du panneau de 30 à 40%. Cette efficacité spatiale se traduit par des boîtiers plus petits, des coûts de matériaux réduits et une meilleure dissipation thermique à l'intérieur du panneau.
Les applications de moteur autonomes sans exigences de commande complexes sont des candidats idéaux pour les MPCB. La commande de moteur simple sur site pour les pompes, les compresseurs ou les convoyeurs ne nécessite que la fonctionnalité marche/arrêt avec une protection complète. Un MPCB fournit une protection complète, une commutation manuelle et une indication de défaut dans un seul appareil, éliminant ainsi le besoin de composants séparés. La complexité de câblage réduite diminue le temps d'installation et les erreurs de connexion potentielles.
Protection du moteur triphasé bénéficie particulièrement des MPCB avec détection intégrée de défaut de phase. Le fonctionnement monophasé représente l'un des modes de défaillance de moteur les plus courants, en particulier dans les environnements industriels avec une infrastructure vieillissante. Les MPCB détectent le déséquilibre de tension ou la perte de phase et se déclenchent avant que le moteur ne subisse des dommages, offrant une protection que les relais de surcharge thermique de base ne peuvent égaler. Cette seule caractéristique justifie la prime MPCB dans les applications critiques.
Accessibilité de la maintenance les considérations favorisent les MPCB dans certaines installations. La capacité de commutation manuelle permet au personnel de maintenance d'isoler localement les moteurs sans accéder aux sectionneurs ou aux panneaux de commande à distance. Cet isolement local améliore la sécurité pendant la maintenance et le dépannage. L'indication de déclenchement claire - souvent avec des indicateurs à code couleur différenciant les déclenchements thermiques des déclenchements magnétiques - accélère le diagnostic des défauts et réduit les temps d'arrêt.
Considérations relatives à l'installation et au câblage
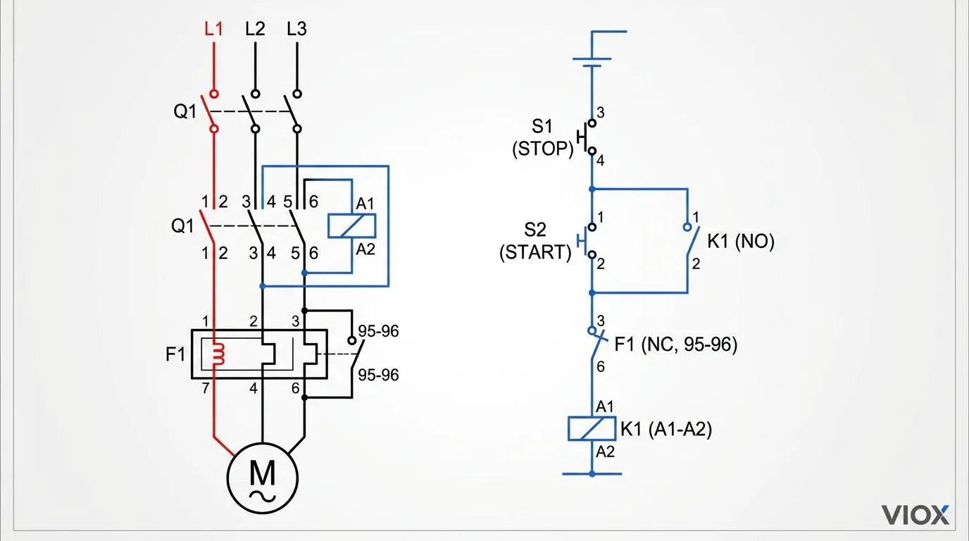
L'approche d'installation diffère considérablement entre les relais de surcharge thermique et les MPCB, ce qui affecte les coûts de main-d'œuvre et la fiabilité du système. Installations de relais de surcharge thermique nécessitent trois composants principaux : un disjoncteur en amont pour la protection contre les courts-circuits, un contacteur pour la commutation de charge, et le relais de surcharge thermique lui-même. Le disjoncteur se connecte au côté ligne du contacteur, les bornes de charge du contacteur se connectent à l'entrée du relais de surcharge et la sortie du relais de surcharge se connecte au moteur.
Le câblage de commande ajoute de la complexité. Le circuit de la bobine du contacteur comprend des boutons-poussoirs marche/arrêt, les contacts auxiliaires du relais de surcharge (câblés en série pour un déclenchement automatique) et souvent des dispositifs d'interverrouillage ou d'indication supplémentaires. Chaque point de connexion représente un mode de défaillance potentiel, et le dépannage nécessite de comprendre l'interaction entre plusieurs composants. Cependant, cette complexité permet des schémas de commande sophistiqués avec plusieurs moteurs, des arrêts d'urgence et une surveillance à distance.
Installations de MPCB simplifient considérablement le circuit de puissance. L'alimentation de ligne se connecte directement aux bornes d'entrée du MPCB et la sortie se connecte directement au moteur - aucun dispositif intermédiaire n'est requis. Pour les applications nécessitant une commande à distance, un contacteur externe peut être ajouté en aval du MPCB, mais de nombreuses installations utilisent exclusivement le fonctionnement manuel du MPCB. Certains MPCB offrent des accessoires d'opérateur de moteur en option qui permettent la commutation à distance tout en conservant les avantages de la protection intégrée.
La différence de temps de câblage est substantielle. Les données de l'industrie suggèrent que les installations de relais de surcharge thermique nécessitent 30 à 50% de temps de câblage en plus que les installations de MPCB équivalentes si l'on considère les connexions d'alimentation, le câblage de commande et l'étiquetage. Ce différentiel de main-d'œuvre compense souvent le coût plus élevé des composants des MPCB, en particulier dans les régions où les taux de main-d'œuvre sont élevés. De plus, moins de points de connexion réduisent la probabilité d'erreurs de câblage qui pourraient compromettre la protection ou créer des risques pour la sécurité.
Analyse des coûts : perspective du coût total de possession
Les coûts initiaux des composants ne représentent qu'une partie de l'histoire. Une analyse complète des coûts doit tenir compte des coûts d'approvisionnement, d'installation, de maintenance et de temps d'arrêt sur le cycle de vie de l'équipement. Systèmes de relais de surcharge thermique ont des coûts de composants inférieurs - un relais de surcharge thermique de qualité coûte $15-50, plus un contacteur ($30-150) et un disjoncteur ($20-80), pour un total de $65-280 selon la taille et les spécifications du moteur. Cependant, la main-d'œuvre d'installation ajoute généralement $100-200 par point de moteur, et l'espace de panneau plus grand peut augmenter les coûts de boîtier de $50-100 par moteur.
Systèmes MPCB ont des coûts de composants plus élevés, allant de $60-200 pour les moteurs jusqu'à 15 kW, mais la main-d'œuvre d'installation est généralement inférieure de 30 à 40% en raison du câblage simplifié. Les économies d'espace de panneau peuvent réduire les coûts de boîtier, et le nombre de composants réduit diminue la complexité de l'inventaire - un modèle MPCB avec des paramètres réglables peut remplacer plusieurs relais de surcharge thermique à valeur fixe. Sur un cycle de vie de 10 ans, les MPCB démontrent souvent un coût total de possession inférieur malgré des prix initiaux plus élevés.
Les coûts de maintenance favorisent les MPCB dans la plupart des scénarios. La conception intégrée élimine les problèmes de compatibilité potentiels entre les composants de différents fabricants. Le dépannage est plus rapide grâce à l'indication de déclenchement intégrée, et l'exigence de réarmement manuel (par rapport au réarmement automatique disponible dans certains relais de surcharge thermique) empêche les tentatives de redémarrage répétées qui pourraient endommager les moteurs. Cependant, la défaillance du MPCB nécessite le remplacement complet de l'appareil, tandis que les systèmes de relais de surcharge thermique permettent le remplacement individuel des composants.
Considérations relatives aux normes et à la conformité
Les relais de surcharge thermique et les MPCB doivent être conformes aux normes internationales, mais les normes applicables diffèrent. Relais de surcharge thermique relèvent de la norme CEI 60947-4-1 (Contacteurs et démarreurs de moteurs) sur les marchés internationaux et de la norme UL 508 (Matériel de commande industrielle) en Amérique du Nord. Ces normes spécifient les caractéristiques thermiques, les classes de déclenchement, la compensation de la température ambiante et la coordination avec les contacteurs. Comprendre ces normes garantit une sélection appropriée des appareils et une coordination du système.
Les MPCB sont régis par la norme CEI 60947-2 (Disjoncteurs) à l'échelle internationale et par les protecteurs de circuit moteur de type E UL 508 en Amérique du Nord. Ces normes définissent le pouvoir de coupure, le pouvoir de fermeture, la coordination avec les appareils en aval et les caractéristiques de protection. La distinction est importante : un MPCB certifié CEI 60947-2 offre une capacité de coupure de court-circuit vérifiée, tandis qu'un relais de surcharge thermique certifié uniquement CEI 60947-4-1 n'en offre pas.
Études de coordination deviennent critiques lors du choix entre ces appareils. Une coordination appropriée garantit que le dispositif de protection le plus proche du défaut fonctionne en premier, minimisant ainsi les perturbations des autres circuits. La coordination de la protection des circuits nécessite l'analyse des courbes temps-courant pour tous les dispositifs de protection dans le chemin du circuit. Les MPCB simplifient la coordination en intégrant la protection contre les surcharges et les courts-circuits dans un seul appareil avec une seule courbe temps-courant, tandis que les systèmes de relais de surcharge thermique nécessitent la coordination de la courbe de surcharge du relais avec la courbe de court-circuit du disjoncteur en amont.
Cadre de sélection pratique
Choisir entre les relais de surcharge thermique et les MPCB nécessite d'évaluer plusieurs facteurs spécifiques à votre application. Commencez par évaluer la complexité de la commande. Si le moteur nécessite uniquement un démarrage/arrêt local sans commande à distance, verrouillage ou séquencement, un MPCB offre une protection complète dans l'ensemble le plus simple. Si l'application implique plusieurs moteurs avec un fonctionnement interdépendant, des séquences de démarrage coordonnées ou une intégration avec des automates programmables, les relais de surcharge thermique avec contacteurs offrent une plus grande flexibilité.
Évaluer l'espace disponible dans le panneau. Mesurez les dimensions physiques requises pour chaque approche, en tenant compte non seulement des appareils eux-mêmes, mais aussi de l'espace de cintrage des fils et des dégagements de dissipation thermique. Dans les applications de modernisation où l'espace du panneau est limité, les MPCB peuvent être la seule option viable. Pour les nouvelles conceptions de panneaux, calculez la différence totale de coût du boîtier : parfois, un boîtier légèrement plus grand avec des relais de surcharge thermique coûte moins cher qu'un boîtier compact avec des MPCB.
Considérer les capacités de maintenance sur le site d'installation. Les MPCB nécessitent moins d'expertise électrique pour le dépannage de base en raison de l'indication de déclenchement intégrée et du câblage plus simple. Les sites avec un personnel de maintenance limité ou un taux de rotation élevé des techniciens peuvent bénéficier de la simplicité des MPCB. Inversement, les installations avec des électriciens expérimentés et des stocks complets de pièces de rechange peuvent préférer la facilité d'entretien au niveau des composants des systèmes de relais de surcharge thermique.
Analyser la criticité du moteur et les coûts de défaillance. Pour les moteurs critiques où les coûts d'arrêt représentent des centaines ou des milliers de dollars par heure, la protection contre la perte de phase du MPCB offre une assurance précieuse contre les dommages causés par le fonctionnement monophasé. Pour les moteurs non critiques où la défaillance cause une perturbation minimale, une protection de surcharge thermique de base peut suffire. Calculez la valeur attendue des défaillances évitées pour justifier la prime du MPCB.
Tendances futures en matière de protection des moteurs
Le paysage de la protection des moteurs continue d'évoluer avec les progrès de l'électronique et de la connectivité. Relais de surcharge électroniques représentent un juste milieu entre les relais de surcharge thermique traditionnels et les MPCB. Ces dispositifs utilisent des transformateurs de courant et des algorithmes basés sur des microprocesseurs pour fournir une protection précise contre les surcharges avec des fonctions avancées telles que la détection des défauts à la terre, la surveillance du déséquilibre de phase et les capacités de communication. Les relais de surcharge électroniques nécessitent toujours une protection distincte contre les courts-circuits, mais offrent une précision et des diagnostics supérieurs à ceux des dispositifs thermiques.
MPCB intelligents avec des protocoles de communication intégrés gagnent du terrain dans les environnements de l'industrie 4.0. Ces dispositifs fournissent une surveillance du courant en temps réel, des alertes de maintenance prédictive basées sur l'accumulation thermique et des capacités de déclenchement/réinitialisation à distance via les protocoles Ethernet, Profibus ou Modbus. Les données générées permettent des stratégies de maintenance conditionnelle qui réduisent les temps d'arrêt imprévus et prolongent la durée de vie du moteur. L'intégration avec les systèmes de gestion de bâtiments ou les plateformes SCADA offre une visibilité sans précédent sur la santé du moteur et la consommation d'énergie.
Protection de moteur à semi-conducteurs élimine complètement les composants mécaniques, en utilisant l'électronique de puissance pour la protection et la commutation. Bien qu'actuellement limités aux applications spécialisées en raison des coûts et des défis de dissipation thermique, les dispositifs à semi-conducteurs offrent des temps de réponse de l'ordre de la microseconde, une résolution de réglage infinie et une immunité complète à l'usure mécanique. À mesure que la technologie des semi-conducteurs progresse et que les coûts diminuent, la protection à semi-conducteurs pourrait éventuellement remplacer les relais de surcharge thermique et les MPCB conventionnels dans les applications exigeantes.
Section FAQ
Q : Puis-je remplacer directement un relais de surcharge thermique par un MPCB ?
R : Pas toujours. Si votre configuration actuelle utilise un contacteur pour la commande à distance ou l'inversion du moteur, vous devrez conserver le contacteur et utiliser le MPCB uniquement pour la protection, ou sélectionner un MPCB avec une capacité de commande à distance. Vérifiez que le pouvoir de coupure du MPCB est égal ou supérieur au courant de défaut disponible au point d'installation.
Q : Pourquoi les relais de surcharge thermique ont-ils des classes de déclenchement différentes ?
R : Les classes de déclenchement (10, 20, 30) définissent le temps maximal que le relais peut prendre pour se déclencher à 600% du courant nominal. La classe 10 se déclenche en 10 secondes ou moins, ce qui convient aux moteurs standard. Les classes 20 (20 secondes) et 30 (30 secondes) conviennent aux charges à forte inertie avec des temps d'accélération plus longs. L'utilisation d'une mauvaise classe peut entraîner des déclenchements intempestifs ou une protection inadéquate.
Q : Les MPCB fonctionnent-ils avec des variateurs de fréquence ?
R : Les MPCB peuvent être installés en amont des VFD pour la protection de l'entrée, mais ils ne sont généralement pas recommandés sur les sorties VFD. La forme d'onde de sortie PWM du VFD peut provoquer des déclenchements intempestifs dans les éléments de déclenchement magnétique. Utilisez des relais de surcharge thermique ou la protection moteur intégrée du VFD pour la protection côté sortie.
Q : Comment dimensionner un MPCB pour un moteur ?
R : Sélectionnez un MPCB avec une plage de courant réglable qui inclut le courant de pleine charge (FLC) du moteur indiqué sur la plaque signalétique. Réglez le réglage thermique du MPCB pour qu'il corresponde au FLC. Pour les moteurs avec des courants de démarrage élevés, vérifiez que le seuil de déclenchement magnétique du MPCB (généralement 10 à 14 fois le courant nominal) ne provoque pas de déclenchements intempestifs pendant les démarrages.
Q : Les relais de surcharge thermique peuvent-ils détecter une perte de phase ?
R : Les relais de surcharge thermique de base ne peuvent pas détecter de manière fiable une perte de phase. Certains modèles avancés incluent la détection de perte de phase, mais cette fonction est standard dans la plupart des MPCB. Le fonctionnement monophasé amène les moteurs à consommer un courant excessif dans les phases restantes, ce qui peut éventuellement déclencher une surcharge thermique, mais souvent pas avant que le moteur ne soit endommagé.
Q : Quelle est la durée de vie typique d'un MPCB par rapport à un relais de surcharge thermique ?
R : Les deux dispositifs ont une durée de vie mécanique de 10 000 à 100 000 opérations selon les conditions de charge. Les MPCB ont généralement une durée de vie électrique plus courte lorsqu'ils interrompent à plusieurs reprises des courants de défaut élevés, car le mécanisme d'interruption d'arc s'use. Les relais de surcharge thermique n'interrompent que les circuits de commande avec un courant minimal, ce qui prolonge leur durée de vie électrique. Un entretien et un fonctionnement appropriés dans les limites nominales garantissent 15 à 20 ans de service pour les deux.
Conclusion
Le choix entre les relais de surcharge thermique et les disjoncteurs de protection moteur dépend en fin de compte des exigences spécifiques de votre application, des contraintes budgétaires et de votre stratégie de maintenance à long terme. Les relais de surcharge thermique excellent dans les systèmes de commande complexes nécessitant une commande à distance, une coordination de plusieurs moteurs ou des caractéristiques de déclenchement spécialisées, en particulier lorsqu'ils sont associés à contacteurs et une protection en amont appropriée. Leurs coûts de composants plus faibles et leur facilité d'entretien au niveau des composants les rendent attrayants pour les grandes installations avec un personnel de maintenance expérimenté.
Les MPCB offrent une protection complète dans un ensemble compact et intégré qui simplifie l'installation, réduit l'espace du panneau et offre une protection supérieure contre les pertes de phase et les courts-circuits. Le coût initial plus élevé est souvent justifié par la réduction de la main-d'œuvre d'installation, les boîtiers plus petits et le dépannage plus rapide. Pour les moteurs autonomes, les applications où l'espace est limité ou les installations avec une expertise de maintenance limitée, les MPCB représentent la norme moderne en matière de protection des moteurs.
À mesure que la technologie de protection des moteurs continue de progresser vers des solutions électroniques et intelligentes, les relais de surcharge thermique traditionnels et les MPCB conventionnels intégreront progressivement des fonctions numériques, des capacités de communication et des fonctions de maintenance prédictive. Comprendre les différences fondamentales entre ces philosophies de protection permet aux ingénieurs de prendre des décisions éclairées aujourd'hui tout en se préparant aux systèmes de protection des moteurs connectés et axés sur les données de demain.
Pour des conseils complets sur stratégies de protection des moteurs et conception de panneaux de commande industriels, VIOX Electric offre une gamme complète de dispositifs de protection, un support technique et une expertise en ingénierie d'application pour garantir que vos moteurs fonctionnent en toute sécurité et efficacement.