Sự khác biệt giữa hộp đấu dây (Combiner Box) dân dụng và quy mô lớn là gì?
Hộp đấu dây PV dân dụng thường xử lý các hệ thống 600V DC với 2-6 đầu vào chuỗi và hoạt động trong các lắp đặt cho hộ gia đình, trong khi hộp đấu dây quy mô lớn quản lý các hệ thống 1500V DC với 12-24+ đầu vào chuỗi trên các trang trại năng lượng mặt trời đa megawatt. Sự khác biệt cơ bản nằm ở định mức điện áp, khả năng dòng điện, các yêu cầu về độ bền môi trường và các chiến lược tối ưu hóa chi phí trên mỗi watt—các hệ thống dân dụng ưu tiên sự đơn giản và tuân thủ quy chuẩn, trong khi các thiết kế quy mô lớn tập trung vào việc giảm LCOE (chi phí năng lượng quy dẫn) và các khả năng giám sát nâng cao.
Những điểm chính
- Kiến trúc điện áp: Các hệ thống dân dụng sử dụng 600V DC (tiêu chuẩn NEC), các lắp đặt thương mại hoạt động ở 1000V DC và các trang trại quy mô lớn yêu cầu hộp đấu dây 1500V DC để có hiệu quả kinh tế tối ưu
- Dung lượng chuỗi: Hộp đấu dây dân dụng xử lý 2-6 chuỗi (thường là tùy chọn cho ≤3 chuỗi), trong khi các thiết bị quy mô lớn quản lý 12-24+ chuỗi trên mỗi hộp với các chiến lược bố trí phân tán
- Cơ cấu chi phí: Hộp đấu dây dân dụng có giá 300-800 đô la Mỹ mỗi chiếc; các hệ thống quy mô lớn đạt được khoản tiết kiệm chi phí BOS (cân bằng hệ thống) từ 8-12 triệu đô la Mỹ trên mỗi 100MW thông qua kiến trúc 1500V
- Tiêu chuẩn bảo vệ: Cả hai quy mô đều yêu cầu tuân thủ NEC 690, nhưng quy mô lớn bổ sung thêm tính năng phát hiện hồ quang điện, giám sát từ xa và tích hợp tắt máy nhanh
- Lộ trình hoàn vốn đầu tư (ROI): Các hệ thống dân dụng hòa vốn trong 6-8 năm; các thiết kế 1500V quy mô lớn cải thiện LCOE từ 15-20% so với các thiết bị tương đương 1000V
Hiểu các nguyên tắc cơ bản của hộp đấu dây PV
Hộp đấu dây quang điện (PV) hợp nhất nhiều chuỗi DC từ các dãy tấm pin mặt trời thành một mạch đầu ra duy nhất cấp cho biến tần. Điểm nối này cung cấp ba chức năng quan trọng: bảo vệ quá dòng cho từng chuỗi thông qua cầu chì hoặc bộ ngắt mạch, chống sét lan truyền chống lại các đột biến điện áp nhất thời và một điểm ngắt kết nối tập trung để bảo trì và tắt khẩn cấp. Hộp đấu dây về cơ bản biến một mạng lưới phức tạp các mạch DC song song thành một hệ thống cung cấp điện có thể quản lý được và tuân thủ quy chuẩn.

Sự cần thiết của hộp đấu dây hoàn toàn phụ thuộc vào kiến trúc hệ thống. Đối với các lắp đặt dân dụng nhỏ với ba chuỗi trở xuống, việc kết nối trực tiếp với biến tần vẫn được phép theo Điều 690 của NEC, loại bỏ chi phí thiết bị 400-800 đô la Mỹ và một điểm hỏng hóc bổ sung. Tuy nhiên, khi một hệ thống mở rộng quy mô vượt quá ba chuỗi—phổ biến ở các mái nhà dân dụng lớn hơn, tất cả các dự án thương mại và phổ biến ở các trang trại quy mô lớn—hộp đấu dây chuyển từ phụ kiện tùy chọn thành cơ sở hạ tầng bắt buộc. trích dẫn
Thông số kỹ thuật thiết kế hộp đấu dây PV dân dụng
Yêu cầu về điện áp và dòng điện
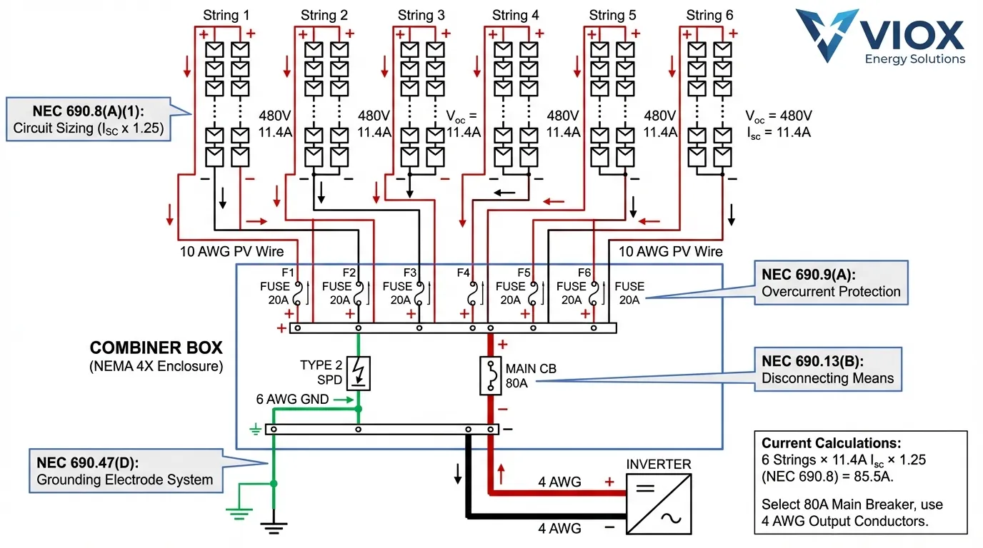
Các lắp đặt năng lượng mặt trời dân dụng ở Bắc Mỹ chủ yếu hoạt động ở điện áp hệ thống tối đa 600V DC, phù hợp với các thông số kỹ thuật biến tần dân dụng tiêu chuẩn và các yêu cầu NEC 690.7. Các tính toán dòng điện chuỗi tuân theo công thức cơ bản: nhân dòng điện ngắn mạch (Isc) của mô-đun với 1,56 để tính đến hệ số hoạt động liên tục của NEC (1,25) và yêu cầu định cỡ bảo vệ quá dòng (1,25), cho ra định mức cầu chì tối thiểu trên mỗi chuỗi. Đối với một chuỗi dân dụng điển hình sử dụng các tấm pin 400W với Isc 11,4A, phép tính cho ra 17,78A, yêu cầu cầu chì tiêu chuẩn 20A trên mỗi đầu vào chuỗi.
Bộ ngắt mạch đầu ra chính của hộp đấu dây phải đáp ứng dòng điện tổng hợp của tất cả các chuỗi. Một hệ thống dân dụng bốn chuỗi với Isc 11,4A trên mỗi chuỗi tạo ra tổng cộng 45,6A, sau khi áp dụng hệ số nhân hoạt động liên tục 1,25, yêu cầu định mức tối thiểu 57A—thường được đáp ứng với bộ ngắt mạch chính tiêu chuẩn 60A hoặc 80A tùy thuộc vào kích thước dây và các cân nhắc mở rộng trong tương lai. trích dẫn

Thông số kỹ thuật vật lý và môi trường
Hộp đấu dây dân dụng thường có kích thước 12″ × 16″ × 6″ cho các cấu hình 4-6 chuỗi, được cấu tạo từ polycarbonate ổn định UV hoặc vỏ thép sơn tĩnh điện. Xếp hạng IP65 thể hiện khả năng bảo vệ chống xâm nhập tối thiểu chấp nhận được cho việc lắp đặt ngoài trời, cung cấp khả năng bịt kín chống bụi và bảo vệ chống lại tia nước từ mọi hướng. Các lắp đặt ven biển hoặc các khu vực có điều kiện thời tiết khắc nghiệt nên chỉ định xếp hạng IP66 hoặc NEMA 4X, cung cấp khả năng chống ăn mòn nâng cao thông qua phần cứng bằng thép không gỉ và vật liệu đệm chống lại phun muối và chu kỳ nhiệt. trích dẫn
Giảm định mức nhiệt độ trở nên quan trọng đối với các hộp đấu dây được lắp đặt dưới ánh sáng mặt trời trực tiếp hoặc trên các bề mặt mái tối màu. Nhiệt độ môi trường bên trong các vỏ này có thể đạt tới 60-70°C (140-158°F), yêu cầu áp dụng các hệ số hiệu chỉnh Bảng 310.15(B)(2)(a) của NEC cho các tính toán về khả năng chịu tải của dây dẫn. Ứng suất nhiệt này cũng ảnh hưởng đến các đặc tính ngắt của cầu chì và bộ ngắt mạch, khiến cho các vỏ lớn hơn với hệ thống thông gió đầy đủ trở thành một khoản đầu tư đáng giá cho độ tin cậy lâu dài.
Lựa chọn thành phần cho các ứng dụng dân dụng
| Thành phần | Thông số kỹ thuật dân dụng | Chìa Khóa Chí Lựa Chọn |
|---|---|---|
| Cầu chì chuỗi | Định mức 15-20A, 1000V DC | Cầu chì gPV dành riêng cho PV theo IEC 60269-6; tránh cầu chì AC |
| Máy cắt chính | Định mức 60-100A, 2 cực DC | Được liệt kê theo UL 489, định mức ngắt tối thiểu 10kA |
| SPD (Bảo vệ chống sét lan truyền) | Loại 2, 600V DC, 20-40kA | Uc ≥ 1,2× Voc(max), chỉ báo trạng thái từ xa |
| Thanh cái | Đồng mạ thiếc, 10-15mm² | Tăng nhiệt độ < 50K ở dòng điện định mức |
| Bao vây | Polycarbonate hoặc thép, IP65 | Ổn định UV, phạm vi hoạt động -40°C đến +70°C |
| Giám sát (Tùy chọn) | Điện áp/dòng điện mức chuỗi | Kết nối RS485 hoặc không dây cho các hệ thống 6+ chuỗi |
Sự lựa chọn giữa hộp đấu dây được lắp ráp sẵn và tùy chỉnh ảnh hưởng đáng kể đến hiệu quả kinh tế của dự án dân dụng. Các thiết bị có sẵn từ các nhà sản xuất như VIOX Điện cung cấp các giải pháp cắm và chạy được liệt kê theo UL với các cấu hình 4, 6 hoặc 8 chuỗi tiêu chuẩn hóa, giảm thời gian lắp đặt xuống dưới hai giờ và loại bỏ các lỗi đấu dây tại hiện trường. Các thiết kế tùy chỉnh chỉ có ý nghĩa đối với các bố trí mái nhà bất thường hoặc khi tích hợp chức năng tắt máy nhanh không có sẵn trong các sản phẩm tiêu chuẩn.
Kỹ thuật hộp đấu dây PV quy mô lớn
Tính bắt buộc của kiến trúc 1500V DC
Các trang trại năng lượng mặt trời quy mô lớn trên 5MW đã áp dụng phổ biến kiến trúc hệ thống 1500V DC, được thúc đẩy bởi những cải tiến đáng kể về chi phí năng lượng quy dẫn (LCOE). Điện áp cao hơn cho phép chiều dài chuỗi dài hơn 50% so với các hệ thống 1000V, giảm tổng số chuỗi khoảng 37% và giảm tương ứng số lượng hộp đấu dây, cáp thu gom DC và giờ công lắp đặt. Một trang trại năng lượng mặt trời 100MW được thiết kế ở 1500V DC tiết kiệm 8-12 triệu đô la Mỹ chi phí cân bằng hệ thống so với thiết kế 1000V tương đương, đồng thời giảm dòng điện DC 33% cho công suất đầu ra tương đương, điều này chuyển thành tổn thất I²R thấp hơn và sản lượng năng lượng hàng năm cao hơn khoảng 0,3%. trích dẫn

Sự chuyển đổi điện áp này đặt ra những thách thức kỹ thuật đáng kể. Việc phối hợp cách điện của các thành phần phải tính đến điện áp quá độ đạt tới 2000V trong các sự kiện sét đánh hoặc thao tác chuyển mạch biến tần. Khoảng cách rò và khoảng cách giữa các bộ phận mang điện và đất phải tăng lên để ngăn ngừa sự rò rỉ và phóng điện bề mặt, dẫn đến các vỏ lớn hơn về mặt vật lý mặc dù xử lý ít chuỗi hơn. Các quy trình an toàn cho nhân viên trở nên nghiêm ngặt hơn—các hệ thống 1500V DC có thể duy trì hồ quang dễ dàng hơn so với các thiết bị tương đương điện áp thấp hơn, đòi hỏi phải có bộ ngắt mạch hồ quang điện (AFCI) ở nhiều khu vực pháp lý.
Dung lượng chuỗi và chiến lược bố trí phân tán
Hộp đấu dây quy mô lớn thường chứa 12-24 đầu vào chuỗi, với cấu hình tối ưu được xác định bởi số lượng kênh MPPT của biến tần, các tính toán sụt áp cáp DC và cấu trúc liên kết của địa điểm. Một trang trại năng lượng mặt trời gắn trên mặt đất 5MW có thể triển khai 30-40 hộp đấu dây được phân phối khắp dãy, mỗi hộp hợp nhất 16-20 chuỗi trước khi cấp vào các biến tần trung tâm hoặc biến tần chuỗi phân tán thông qua cáp thu gom DC. Chiến lược bố trí phân tán này giảm thiểu các đường cáp DC, giảm tổn thất sụt áp và cho phép trình tự xây dựng theo mô-đun trong giai đoạn EPC.
Tính toán tỷ lệ chuỗi trên hộp đấu dây cân bằng nhiều yếu tố: số lượng chuỗi cao hơn trên mỗi hộp làm giảm chi phí thiết bị và lắp đặt nhưng làm tăng các yêu cầu về kích thước cáp DC và làm phức tạp việc tiếp cận bảo trì. Các thiết kế quy mô lớn hiện đại thường nhắm mục tiêu 15-18 chuỗi trên mỗi hộp đấu dây là mức tối ưu về kinh tế, cung cấp đủ khả năng hợp nhất trong khi vẫn duy trì kích thước vỏ có thể quản lý được và khả năng tiếp cận đầu cuối dây. trích dẫn
Hệ thống bảo vệ và giám sát nâng cao
| Năng | Triển khai quy mô lớn | Giải trình kinh doanh |
|---|---|---|
| Phát hiện hồ quang điện | Phát hiện hồ quang nối tiếp và song song theo UL 1699B | Ngăn ngừa 80% rủi ro hỏa hoạn phía DC; yêu cầu bảo hiểm ở nhiều thị trường |
| Giám sát mức chuỗi | Điện áp, dòng điện, nhiệt độ trên mỗi chuỗi | Xác định các chuỗi hoạt động kém hiệu quả; cải thiện hiệu quả O&M lên 40% |
| Ngắt kết nối từ xa | Công tắc cơ giới với tích hợp SCADA | Cho phép tắt khẩn cấp mà không cần truy cập vào địa điểm; an toàn cho lính cứu hỏa |
| Cảm biến môi trường | Nhiệt độ môi trường, độ ẩm, nhiệt độ vỏ | Bảo trì dự đoán; ngăn ngừa các hỏng hóc liên quan đến nhiệt |
| Giao thức giao tiếp | Modbus RTU/TCP, DNP3, hoặc IEC 61850 | Tích hợp với SCADA của nhà máy; giám sát hiệu suất thời gian thực |
| Tắt máy nhanh | Cấp độ module hoặc cấp độ bộ kết hợp theo NEC 690.12 | Tuân thủ quy chuẩn; giảm thiểu nguy cơ hồ quang điện trong quá trình bảo trì |
Giám sát cấp chuỗi trong hộp kết hợp quy mô lớn cung cấp dữ liệu hiệu suất chi tiết, ảnh hưởng trực tiếp đến khả năng tài trợ dự án. Các nhà đầu tư và người cho vay ngày càng yêu cầu khả năng hiển thị thời gian thực về hiệu suất của mảng để xác thực dự báo sản xuất và xác định các lỗi ảnh hưởng đến doanh thu. Một chuỗi hoạt động kém hiệu quả duy nhất trong một trang trại 100MW có thể gây thiệt hại từ $3.000 đến $5.000 hàng năm do mất sản lượng điện—các hệ thống giám sát phát hiện ra những vấn đề này trong vòng vài ngày thay vì vài tháng mang lại ROI có thể đo lường được thông qua các hệ số công suất được cải thiện. trích dẫn
Thông số kỹ thuật thành phần quy mô lớn

| Thành phần | Thông số kỹ thuật quy mô lớn | Sự khác biệt chính so với dân dụng |
|---|---|---|
| Cầu chì chuỗi | Định mức 20-30A, 1500V DC | Cách điện điện áp cao hơn; thường sử dụng bộ ngắt kết nối cầu chì |
| Máy cắt chính | Định mức 400-630A, 4 cực DC | Dòng cắt 65kA; bộ phận ngắt điện tử có giao tiếp |
| SPD | Hybrid loại 1+2, 1500V DC, 100kA | Xử lý năng lượng cao hơn; phối hợp với SPD cấp mảng |
| Thanh cái | Đồng mạ bạc, 50-120mm² | Điện trở tiếp xúc thấp hơn; được thiết kế cho tuổi thọ trên 30 năm |
| Bao vây | Thép không gỉ 316L, IP66/NEMA 4X | Chống ăn mòn; làm mát thụ động bằng tản nhiệt |
| Ống luồn cáp | Định mức EMC, IP68 | Tương thích điện từ; định mức chìm trong nước cho các vùng ngập lụt |
Các thông số kỹ thuật vật liệu cho hộp kết hợp quy mô lớn phản ánh môi trường hoạt động khắc nghiệt và kỳ vọng tuổi thọ thiết kế trên 30 năm. Vỏ thép không gỉ 316L với lớp phủ bột chống ăn mòn trong môi trường sa mạc, ven biển và nông nghiệp, nơi polycarbonate cấp dân dụng sẽ xuống cấp trong vòng 10-15 năm. Các thành phần bên trong sử dụng thanh cái bằng đồng mạ bạc thay vì các lựa chọn thay thế mạ thiếc để giảm thiểu điện trở tiếp xúc và đảm bảo hiệu suất ổn định trong quá trình thay đổi nhiệt độ từ -40°C đến +85°C. trích dẫn
Sự khác biệt thiết kế quan trọng: So sánh song song

So sánh kiến trúc hệ thống
| Tham số | Hệ thống dân dụng | Hệ thống quy mô lớn |
|---|---|---|
| Hệ Thống Điện Áp | 600V DC (tiêu chuẩn NEC) | 1500V DC (tiêu chuẩn ngành sau năm 2020) |
| Số Lượng Chuỗi | 2-6 chuỗi (thường ≤3 = không cần bộ kết hợp) | 12-24+ chuỗi trên mỗi hộp kết hợp |
| Tổng kích thước hệ thống | 5-15 kW điển hình | 5-500+ MW |
| Số lượng hộp kết hợp | 0-1 trên mỗi cài đặt | 30-200+ trên mỗi trang trại |
| Chiều dài chuỗi | 8-12 tấm pin trên mỗi chuỗi | 24-32 tấm pin trên mỗi chuỗi |
| Loại Biến Tần | Biến tần chuỗi (một thiết bị duy nhất) | Biến tần trung tâm hoặc chuỗi (nhiều thiết bị) |
Phân tích chi phí và kinh tế
| Tố Chi Phí | Dân cư | Quy mô tiện ích |
|---|---|---|
| Chi phí đơn vị hộp kết hợp | $300-$800 | $2,500-$8,000 |
| Chi phí trên mỗi Watt | $0,05-$0,08/W | $0,01-$0,02/W |
| Cài Đặt Lao Động | 2-4 giờ | 4-8 giờ trên mỗi hộp (nhưng được khấu hao trên MW) |
| Tác động chi phí BOS | 3-5% tổng chi phí hệ thống | 8-12% tổng chi phí hệ thống |
| Chi phí giám sát | $0-$200 (thường bị bỏ qua) | $500-$1.500 trên mỗi hộp (bắt buộc) |
| Khoảng thời gian bảo trì | Từ 5 đến 10 năm | 2-3 năm (phòng ngừa) |
Sự khác biệt về chi phí trên mỗi watt cho thấy sự khác biệt kinh tế cơ bản giữa năng lượng mặt trời dân dụng và quy mô lớn. Mặc dù hộp kết hợp dân dụng chiếm tỷ lệ phần trăm lớn hơn trong tổng chi phí hệ thống, nhưng số tiền tuyệt đối vẫn ở mức khiêm tốn ($300-$800). Các dự án quy mô lớn đạt được chi phí trên mỗi watt thấp hơn đáng kể thông qua mua sắm số lượng lớn, thiết kế tiêu chuẩn và khả năng khấu hao chi phí kỹ thuật trên hàng trăm megawatt. Tuy nhiên, tổng chi phí vốn cho hộp kết hợp cho một trang trại 100MW có thể vượt quá $500.000-$800.000, khiến việc lựa chọn thành phần và trình độ nhà cung cấp trở thành các hoạt động mua sắm quan trọng. trích dẫn
Mã Phù hợp và Chuẩn
| Yêu cầu | Ứng dụng dân dụng | Ứng dụng quy mô lớn |
|---|---|---|
| Quy chuẩn chính | Điều 690 của NEC | NEC Điều 690 + tiêu chuẩn kết nối tiện ích |
| Bảo Vệ Quá Dòng | NEC 690.9 (tối thiểu 1,56× Isc) | NEC 690.9 + yêu cầu nghiên cứu phối hợp |
| Nền tảng | NEC 690.41-690.47 | Lưới tiếp địa tăng cường; kiểm tra điện trở suất của đất |
| Nhãn hiệu | NEC 690.31 (nhãn cảnh báo cơ bản) | Nhãn hồ quang điện theo NFPA 70E; sơ đồ một sợi chi tiết |
| Tắt máy nhanh | NEC 690.12 (cấp độ module hoặc cấp độ dãy) | NEC 690.12 + các yêu cầu cụ thể của công ty điện lực |
| Kiểm tra/Nghiệm thu | Kiểm tra trực quan + xác minh điện áp | Kiểm tra nghiệm thu đầy đủ theo IEC 62446; chụp ảnh nhiệt bằng hồng ngoại |
Cả lắp đặt dân dụng và quy mô công nghiệp đều phải tuân thủ Điều 690 của NEC, nhưng các dự án quy mô công nghiệp phải đối mặt với các lớp kiểm tra quy định bổ sung. Các thỏa thuận kết nối lưới điện thường áp đặt các yêu cầu vượt quá mức tối thiểu của NEC, bao gồm các công nghệ phát hiện hồ quang điện cụ thể, khả năng ngắt kết nối từ xa và giám sát thời gian thực với tích hợp SCADA của công ty điện lực. Các yêu cầu bổ sung này có thể làm tăng 15-25% chi phí hộp đấu dây nhưng không thể thương lượng để được phê duyệt dự án và đạt được ngày vận hành thương mại (COD). trích dẫn
Tiêu chí lựa chọn: Chọn hộp đấu dây phù hợp
Đối với lắp đặt dân dụng (5-15 kW)
Bước 1: Xác định xem có cần hộp đấu dây hay không. Tính tổng số chuỗi của bạn dựa trên bố trí mái và phân tích bóng đổ. Nếu hệ thống của bạn có ba chuỗi trở xuống, hãy kết nối trực tiếp với biến tần và tiết kiệm 400-800 đô la cộng với chi phí nhân công lắp đặt. Cách tiếp cận kết nối trực tiếp này được NEC 690.9 cho phép rõ ràng và thể hiện giải pháp hiệu quả chi phí nhất cho các dãy dân dụng nhỏ.
Bước 2: Tính toán các thông số kỹ thuật điện. Nhân dòng Isc của tấm pin của bạn với 1,56 để xác định định mức cầu chì tối thiểu cho mỗi chuỗi. Cộng tổng dòng điện từ tất cả các chuỗi và nhân với 1,25 để xác định định mức cầu dao chính. Xác minh rằng định mức điện áp hộp đấu dây đã chọn của bạn vượt quá điện áp hở mạch tối đa (Voc) của chuỗi ít nhất 20% biên độ an toàn.
Bước 3: Đánh giá các yêu cầu về môi trường. Các hộp đấu dây gắn trên mái nhà dưới ánh nắng trực tiếp yêu cầu tối thiểu IP65, với IP66 được ưu tiên để kéo dài tuổi thọ. Các lắp đặt ven biển trong vòng 10 dặm tính từ nước mặn nên chỉ định vỏ thép không gỉ NEMA 4X với gioăng và phần cứng cấp hàng hải. Cân nhắc giảm tải nhiệt nếu nhiệt độ môi trường thường xuyên vượt quá 40°C (104°F).
Bước 4: Đánh giá nhu cầu giám sát. Đối với các hệ thống có sáu chuỗi trở lên, giám sát cấp chuỗi cung cấp khả năng chẩn đoán có giá trị có thể xác định các tấm pin hoạt động kém hoặc các vấn đề về dây điện. Chi phí gia tăng 200-400 đô la cho các hộp đấu dây hỗ trợ giám sát thường tự hoàn vốn trong vòng 2-3 năm thông qua cải thiện tính khả dụng của hệ thống và giải quyết lỗi nhanh hơn. trích dẫn
Đối với các dự án quy mô công nghiệp (5+ MW)
Bước 1: Xác nhận kiến trúc điện áp hệ thống. Đối với các dự án trên 5MW, kiến trúc 1500V DC nên là cơ sở thiết kế mặc định trừ khi các ràng buộc cụ thể của địa điểm quy định khác. Việc cải thiện LCOE từ 15-20% so với hệ thống 1000V làm cho quyết định này trở nên đơn giản từ góc độ mô hình tài chính.
Bước 2: Tối ưu hóa tỷ lệ chuỗi trên hộp đấu dây. Thực hiện phân tích kinh tế chi tiết cân bằng số lượng hộp đấu dây với chi phí cáp DC và tổn thất sụt áp. Tỷ lệ tối ưu thường nằm trong khoảng từ 15-18 chuỗi trên mỗi hộp đấu dây, nhưng cấu trúc liên kết địa điểm và thông số kỹ thuật của biến tần có thể thay đổi mục tiêu này. Sử dụng các phép tính sụt áp cáp DC để xác minh rằng dòng điện chuỗi kết hợp không vượt quá 3% tổn thất điện áp tại điểm công suất tối đa.
Bước 3: Chỉ định hệ thống bảo vệ và giám sát. Phát hiện hồ quang điện là bắt buộc để được ngân hàng tài trợ và bảo hiểm ở hầu hết các thị trường. Giám sát điện áp và dòng điện cấp chuỗi nên là thông số kỹ thuật tiêu chuẩn—chi phí gia tăng 50-80 đô la cho mỗi chuỗi là không đáng kể so với giá trị bảo vệ doanh thu. Tích hợp giám sát hộp đấu dây với SCADA của nhà máy bằng giao thức Modbus TCP hoặc DNP3 để có khả năng hiển thị tập trung.
Bước 4: Đánh giá trình độ của nhà cung cấp. Các hộp đấu dây quy mô công nghiệp đại diện cho cơ sở hạ tầng quan trọng với kỳ vọng tuổi thọ thiết kế là 30 năm. Việc lựa chọn nhà cung cấp nên ưu tiên các nhà sản xuất có chứng nhận IEC 61439-2, có thành tích đã được chứng minh trong các dự án đa megawatt và bảo hành toàn diện (tối thiểu 10 năm cho vỏ, 5 năm cho thiết bị điện tử). Yêu cầu báo cáo thử nghiệm của bên thứ ba để kiểm tra khả năng chịu ngắn mạch, tăng nhiệt độ và xác minh xếp hạng IP. trích dẫn
Những sai lầm thiết kế phổ biến và cách tránh chúng
Những cạm bẫy của hệ thống dân dụng
Sai lầm #1: Sử dụng cầu chì định mức AC trong các ứng dụng DC. Cầu chì AC tiêu chuẩn thiếu khả năng dập tắt hồ quang cần thiết cho mạch DC, nơi việc không có điểm cắt không làm cho việc dập tắt hồ quang trở nên khó khăn hơn đáng kể. Luôn chỉ định cầu chì gPV dành riêng cho PV được định mức theo IEC 60269-6, kết hợp các buồng dập tắt hồ quang nâng cao được thiết kế để ngắt DC. Sự khác biệt về chi phí là không đáng kể (3-5 đô la cho mỗi cầu chì), nhưng ý nghĩa an toàn là rất lớn. trích dẫn
Sai lầm #2: Kích thước dây không đủ để giảm tải nhiệt độ. Các hộp đấu dây được gắn trên mái nhà tối màu hoặc dưới ánh nắng trực tiếp có nhiệt độ môi trường là 60-70°C, yêu cầu áp dụng các hệ số hiệu chỉnh của Bảng 310.15(B)(2)(a) của NEC. Một dây dẫn 10 AWG được định mức 40A ở nhiệt độ môi trường 30°C giảm xuống nhiệt độ môi trường 70°C chỉ có thể mang 24A một cách an toàn. Việc không áp dụng các hệ số hiệu chỉnh này tạo ra các mối nguy hiểm về hỏa hoạn và vi phạm quy tắc.
Sai lầm #3: Bỏ qua bảo vệ chống sét lan truyền. Mặc dù không phải là yêu cầu chung theo quy tắc, SPD Loại 2 trong các hộp đấu dây dân dụng cung cấp khả năng bảo vệ quan trọng chống lại các cuộc tấn công gián tiếp của sét và quá độ chuyển mạch của tiện ích. Chi phí gia tăng 80-150 đô la là không đáng kể so với chi phí thay thế biến tần 3.000-8.000 đô la sau một sự kiện tăng vọt. Chỉ định SPD với chỉ báo trạng thái từ xa để cho phép thay thế chủ động trước khi hỏng hóc.
Những cạm bẫy của hệ thống quy mô công nghiệp
Sai lầm #1: Kích thước nhỏ hơn cho việc mở rộng trong tương lai. Các dự án quy mô công nghiệp thường xây dựng theo từng giai đoạn trong 12-24 tháng, với việc lắp đặt hộp đấu dây ban đầu xảy ra trước khi bố trí dãy cuối cùng được xác nhận. Việc chỉ định các hộp đấu dây có công suất dự phòng 20-30% (đầu vào chuỗi chưa sử dụng) có giá 200-400 đô la cho mỗi hộp nhưng loại bỏ nhu cầu sửa đổi tại hiện trường hoặc bổ sung hộp đấu dây bổ sung trong các giai đoạn xây dựng sau này.
Sai lầm #2: Tiếp đất và liên kết không đầy đủ. Các trang trại năng lượng mặt trời lớn với nhiều hộp đấu dây yêu cầu thiết kế lưới tiếp đất toàn diện với kiểm tra điện trở suất của đất và các nghiên cứu phối hợp lỗi đất. Chỉ cần kết nối mỗi hộp đấu dây với một thanh nối đất cục bộ sẽ tạo ra các vòng nối đất và có thể dẫn đến dòng điện tuần hoàn gây ra sự cố vấp hoặc hư hỏng thiết bị. Thuê một kỹ sư điện có trình độ để thiết kế hệ thống tiếp đất theo IEEE 80 và NEC 690.41-690.47.
Sai lầm #3: Bỏ qua quản lý nhiệt. Các hộp đấu dây quy mô công nghiệp xử lý dòng điện kết hợp 400-600A tạo ra nhiệt bên trong đáng kể, đặc biệt là ở vùng khí hậu sa mạc, nơi nhiệt độ môi trường vượt quá 45°C (113°F). Làm mát thụ động thông qua vỏ quá khổ, tản nhiệt trên thanh cái và vị trí thông gió chiến lược nên là thông lệ thiết kế tiêu chuẩn. Làm mát chủ động (quạt) đưa ra các yêu cầu bảo trì và các điểm hỏng hóc làm suy yếu độ tin cậy lâu dài. trích dẫn
Xu hướng tương lai và sự phát triển của công nghệ
Thị trường hộp đấu dây năng lượng mặt trời đang trải qua sự đổi mới nhanh chóng do số hóa, áp lực giảm chi phí và các tiêu chuẩn an toàn đang phát triển. Các hộp đấu dây thông minh với giám sát cấp chuỗi tích hợp, thuật toán bảo trì dự đoán và kết nối đám mây đang chuyển từ các tùy chọn cao cấp sang các thông số kỹ thuật tiêu chuẩn trong các dự án quy mô công nghiệp. Các hệ thống thông minh này sử dụng máy học để xác định các mẫu suy thoái, dự đoán các lỗi thành phần trước khi chúng xảy ra và tối ưu hóa lịch trình bảo trì để giảm thiểu thời gian ngừng hoạt động.
Các thị trường dân dụng đang chứng kiến sự hội tụ giữa chức năng hộp đấu dây và các yêu cầu tắt máy nhanh, với các giải pháp tích hợp kết hợp hợp nhất chuỗi, bảo vệ quá dòng và tắt máy cấp mô-đun trong một vỏ duy nhất. Sự tích hợp này làm giảm sự phức tạp trong cài đặt, cải thiện tính thẩm mỹ và đảm bảo tuân thủ quy tắc khi các yêu cầu của NEC 690.12 trở nên nghiêm ngặt hơn trong các chu kỳ mã kế tiếp.
Việc ngành công nghiệp chuyển sang hệ thống 1500V DC trong các ứng dụng quy mô công nghiệp sẽ tiếp tục tăng tốc, với dự báo cho thấy 85% thâm nhập thị trường vào năm 2028 cho các dự án trên 1MW. Các nhà cung cấp linh kiện đang tập trung đầu tư R&D vào các sản phẩm được định mức 1500V, cho phép các dòng sản phẩm 1000V trưởng thành mà không cần tối ưu hóa thêm. Sự chuyển đổi này tạo ra những thách thức về mua sắm cho các dự án trong giai đoạn thiết kế ngày nay—việc chỉ định thiết bị 1000V có thể dẫn đến các tùy chọn nhà cung cấp hạn chế và chi phí cao hơn khi chuỗi cung ứng của ngành chuyển sang 1500V làm tiêu chuẩn mới. trích dẫn
Tài nguyên VIOX liên quan
Để được hướng dẫn kỹ thuật sâu hơn về các khía cạnh cụ thể của thiết kế và lựa chọn hộp đấu dây PV, hãy khám phá các tài nguyên toàn diện này:
- Hộp kết hợp năng lượng mặt trời có chức năng gì? – Tổng quan cơ bản về chức năng và sự cần thiết của hộp đấu dây
- Hộp đấu nối năng lượng mặt trời: Hướng dẫn về định mức điện áp 600V so với 1000V so với 1500V – So sánh kiến trúc điện áp chi tiết với phân tích ROI
- Số lượng chuỗi trên mỗi hộp kết hợp là lý tưởng cho hệ thống năng lượng mặt trời gia đình là bao nhiêu – Tính toán kích thước dân dụng với hướng dẫn tuân thủ NEC
- Hướng dẫn định cỡ hộp đấu dây năng lượng mặt trời: Lập kế hoạch mở rộng – Các chiến lược chống lỗi trong tương lai cho các cài đặt đang phát triển
- Hướng dẫn thiết kế và tuân thủ hộp đấu dây năng lượng mặt trời 1000V – Thông số kỹ thuật thiết kế quy mô thương mại
- Lựa chọn vỏ hộp đấu dây PV: So sánh nhiệt và UV – Lựa chọn vật liệu cho độ bền môi trường
- Danh sách kiểm tra kiểm tra hộp đấu dây năng lượng mặt trời: Hướng dẫn UL/IEC – Quy trình nghiệm thu và bảo trì
- Khắc phục sự cố lỗi và sửa chữa hộp đấu dây năng lượng mặt trời – Các chế độ hỏng hóc phổ biến và kỹ thuật chẩn đoán
- Hộp đấu dây năng lượng mặt trời quá nóng: Nguyên nhân & Giải pháp – Các phương pháp hay nhất về quản lý nhiệt
- Định cỡ cầu dao DC: Hướng dẫn NEC 690 so với IEC 60947-2 – Lựa chọn thiết bị bảo vệ quá dòng
- Thiết bị bảo vệ chống sét lan truyền (SPD) là gì? – Các nguyên tắc cơ bản về bảo vệ chống sét lan truyền cho hệ thống PV
- Aptomat DC so với Cầu chì: Cái nào tốt hơn? – So sánh thiết bị bảo vệ cho các ứng dụng năng lượng mặt trời
- Hướng dẫn lựa chọn vật liệu vỏ tủ điện – Đặc tính vật liệu vỏ tủ điện và hướng dẫn ứng dụng
- Hướng dẫn chọn kích thước hộp đấu dây – Tính toán lấp đầy hộp theo NEC và phương pháp chọn kích thước
- Hướng dẫn phân loại điện áp thấp so với trung bình so với cao – Tiêu chuẩn phân loại điện áp và các vấn đề an toàn
Những Câu Hỏi Thường
H: Tôi có thể sử dụng hộp kết hợp dân dụng cho một hệ thống thương mại nhỏ không?
Đ: Hộp kết hợp loại dân dụng về mặt kỹ thuật có thể phục vụ các hệ thống thương mại nhỏ lên đến khoảng 25kW nếu số lượng chuỗi và định mức dòng điện phù hợp với thông số kỹ thuật. Tuy nhiên, các hệ thống thương mại thường yêu cầu khả năng giám sát nâng cao, thời gian bảo hành dài hơn và vật liệu vỏ tủ điện mạnh mẽ hơn để đáp ứng các yêu cầu về bảo hiểm và quy tắc xây dựng. Chi phí gia tăng của thiết bị loại thương mại ($200-400) thường được chứng minh bằng độ tin cậy được cải thiện và đảm bảo tuân thủ.
H: Làm cách nào để tính toán kích thước cầu chì chính xác cho các chuỗi của tôi?
Đ: Nhân dòng điện ngắn mạch của tấm pin mặt trời của bạn (Isc, được tìm thấy trên bảng dữ liệu) với 1,56 để xác định định mức cầu chì tối thiểu. Hệ số này tính đến yêu cầu hoạt động liên tục 125% của NEC (1,25) và quy tắc định cỡ thiết bị bảo vệ quá dòng 125% (1,25), cho tổng cộng 1,56. Làm tròn lên kích thước cầu chì tiêu chuẩn tiếp theo. Ví dụ: một tấm pin có Isc 11,4A yêu cầu tối thiểu 11,4 × 1,56 = 17,78A, vì vậy hãy chỉ định cầu chì 20A.
H: Có cần giám sát trong hộp kết hợp dân dụng không?
Đ: Giám sát là tùy chọn cho các hệ thống dân dụng nhưng rất được khuyến khích cho các hệ thống có sáu chuỗi trở lên. Giám sát ở cấp độ chuỗi cho phép xác định nhanh chóng các tấm pin hoạt động kém, các vấn đề về dây điện hoặc lỗi cầu chì mà nếu không sẽ không bị phát hiện cho đến khi phân tích sản lượng hàng năm. Chi phí gia tăng $200-400 thường tự trả hết trong vòng 2-3 năm thông qua việc cải thiện tính khả dụng của hệ thống và giảm thời gian khắc phục sự cố.
H: Tuổi thọ điển hình của một hộp kết hợp là bao nhiêu?
Đ: Hộp kết hợp dân dụng với các thành phần chất lượng thường kéo dài 15-20 năm, chủ yếu bị giới hạn bởi sự xuống cấp của vỏ do tia UV và quá trình oxy hóa đầu nối. Hộp kết hợp quy mô tiện ích được thiết kế cho tuổi thọ hoạt động trên 30 năm, sử dụng vỏ bằng thép không gỉ và thanh cái bằng đồng mạ bạc có khả năng chống lại sự xuống cấp của môi trường. Các thành phần bên trong như cầu chì và SPD cần được thay thế sau mỗi 5-10 năm tùy thuộc vào hoạt động tăng áp và điều kiện vận hành.
H: Tôi có thể thêm nhiều chuỗi hơn vào hộp kết hợp hiện có sau này không?
Đ: Chỉ khi hộp kết hợp có các đầu vào chuỗi chưa sử dụng và bộ ngắt mạch đầu ra chính có đủ công suất cho dòng điện bổ sung. Tính tổng dòng điện mới (tổng các giá trị Isc của tất cả các chuỗi × 1,25) và xác minh rằng nó không vượt quá định mức của bộ ngắt mạch chính. Đồng thời xác nhận rằng các dây dẫn đầu ra có đủ dòng điện cho dòng điện tăng lên. Nếu vượt quá bất kỳ giới hạn nào, bạn sẽ cần một hộp kết hợp thứ hai hoặc thay thế hoàn toàn bằng thiết bị có định mức cao hơn.
H: Tại sao hộp kết hợp quy mô tiện ích lại đắt hơn nhiều?
Đ: Hộp kết hợp quy mô tiện ích có giá $2.500-$8.000 so với $300-$800 cho các thiết bị dân dụng do một số yếu tố: yêu cầu cách điện 1500V, công suất dòng điện cao hơn (400-600A so với 60-100A), cấu trúc bằng thép không gỉ, hệ thống giám sát tích hợp, phát hiện hồ quang, khả năng ngắt kết nối từ xa và xếp hạng môi trường nâng cao (IP66 so với IP65). Tuy nhiên, trên cơ sở mỗi watt, hộp quy mô tiện ích thực sự rẻ hơn ($0,01-$0,02/W so với $0,05-$0,08/W) do quy mô hệ thống lớn hơn.
H: Tôi có cần phát hiện hồ quang trong hộp kết hợp của mình không?
Đ: Bộ ngắt mạch hồ quang (AFCI) là bắt buộc trong các hệ thống dân dụng theo NEC 690.11 cho các hệ thống được lắp đặt sau chu kỳ mã 2017, mặc dù yêu cầu có thể được đáp ứng ở cấp độ biến tần chứ không phải trong hộp kết hợp. Các dự án quy mô tiện ích thường triển khai phát hiện hồ quang trong hộp kết hợp như một biện pháp giảm thiểu rủi ro và yêu cầu bảo hiểm, ngay cả khi không được quy định rõ ràng bởi mã địa phương.
H: Tôi cần xếp hạng IP nào cho việc lắp đặt ngoài trời?
Đ: IP65 đại diện cho xếp hạng tối thiểu chấp nhận được cho hộp kết hợp ngoài trời, cung cấp khả năng bịt kín chống bụi và bảo vệ chống lại tia nước. Nâng cấp lên IP66 cho các hệ thống lắp đặt ở khu vực có lượng mưa lớn hoặc nơi có thể xảy ra rửa áp lực trong quá trình bảo trì. Các hệ thống lắp đặt ven biển trong vòng 10 dặm tính từ nước mặn nên chỉ định vỏ thép không gỉ NEMA 4X với xếp hạng IP66 để chống ăn mòn do phun muối.
H: Tôi có thể sử dụng hộp kết hợp 1000V trên hệ thống 1500V không?
Đ: Tuyệt đối không. Sử dụng hộp kết hợp có định mức điện áp không phù hợp tạo ra các nguy cơ an toàn nghiêm trọng bao gồm hỏng cách điện, rò điện và nguy cơ phóng điện hồ quang. Định mức điện áp phải vượt quá điện áp mạch hở tối đa của hệ thống trong mọi điều kiện vận hành, bao gồm cả các tình huống nhiệt độ lạnh, nơi Voc tăng 10-15%. Luôn xác minh rằng định mức điện áp của hộp kết hợp cung cấp ít nhất 20% so với Voc hệ thống tối đa.
H: Tần suất kiểm tra hộp kết hợp là bao lâu?
Đ: Các hệ thống dân dụng nên được kiểm tra trực quan hàng năm, với thử nghiệm điện chi tiết (chụp ảnh nhiệt IR, xác minh mô-men xoắn, điện trở cách điện) 5 năm một lần. Các hệ thống lắp đặt quy mô tiện ích yêu cầu kiểm tra trực quan hàng quý và thử nghiệm toàn diện hàng năm như một phần của chương trình bảo trì phòng ngừa. Bất kỳ hộp kết hợp nào đã trải qua sự kiện tăng áp hoặc điều kiện lỗi phải được kiểm tra và thử nghiệm kỹ lưỡng trước khi đưa trở lại hoạt động, bất kể lịch bảo trì thông thường.