Pendahuluan
Bayangkan ini: Anda berdiri di depan motor industri 50 tenaga kuda pada pukul 3 pagi, dan produksi telah berhenti total. Manajer pabrik mengawasi Anda dengan cemas, dan Anda perlu mendiagnosis masalahnya—dengan cepat. Anda memeriksa pemutus sirkuit (baik-baik saja), memeriksa kabel (tidak ada masalah), dan kemudian mata Anda tertuju pada perangkat persegi panjang kecil yang berdengung di dekat panel kontrol. Itulah kontaktor Anda, dan mungkin saja itu adalah penyebab di balik krisis downtime senilai Rp10.000 per jam Anda.
Jika Anda pernah bertanya-tanya apa sebenarnya fungsi kotak misterius itu, atau mengapa setiap sistem kontrol motor tampaknya memilikinya, Anda berada di tempat yang tepat. Panduan komprehensif ini akan menguraikan misteri kontaktor listrik, menjelaskan cara kerjanya, dan menunjukkan kepada Anda mengapa itu adalah salah satu komponen paling penting—namun sering diabaikan—dalam sistem kelistrikan modern.
Jawaban Singkat: Apa itu Kontaktor?
Kontaktor adalah sakelar elektromekanis yang dirancang untuk berulang kali membuat dan memutuskan sirkuit listrik yang membawa beban arus tinggi. Tidak seperti sakelar manual, kontaktor menggunakan gaya elektromagnetik untuk mengontrol aliran daya dari jarak jauh, menjadikannya penting untuk kontrol motor, sistem HVAC, otomasi industri, dan aplikasi apa pun yang memerlukan pengalihan beban listrik berat yang aman dan andal (biasanya 9A hingga 800A+).
Apa itu Kontaktor? Definisi yang Diperluas
Pada intinya, sebuah kontaktor adalah relai khusus yang direkayasa untuk menangani sirkuit listrik berdaya tinggi—jenis yang akan langsung menghancurkan sakelar atau relai standar. Anggap saja sebagai pekerja keras dari sistem kontrol listrik, yang mampu mengalihkan arus mulai dari 9 ampere hingga lebih dari 800 ampere, ribuan kali per hari, selama bertahun-tahun.
Prinsip dasar di balik setiap kontaktor adalah pengalihan elektromagnetik. Ketika Anda menerapkan sinyal kontrol tegangan rendah (biasanya 24V, 110V, atau 230V) ke koil kontaktor, ia menghasilkan medan magnet yang secara fisik menarik kontak logam bersama-sama, menyelesaikan sirkuit dan memungkinkan daya mengalir ke beban Anda—apakah itu motor, elemen pemanas, sistem pencahayaan, atau mesin industri.
Inilah yang membedakan kontaktor dari sakelar biasa: mereka dirancang untuk siklus tugas berkelanjutan dalam kondisi yang keras. Kontaktor industri secara rutin beroperasi di lingkungan dengan suhu ekstrem, getaran, debu, dan gangguan listrik. Mereka menampilkan sistem penekan busur canggih untuk menginterupsi arus dengan aman selama pengalihan, mencegah busur listrik berbahaya yang dapat mengelas kontak bersama-sama atau menyebabkan kebakaran.
Istilah “kontaktor” itu sendiri berasal dari fungsi utama perangkat: membuat dan memutuskan kontak antara konduktor listrik. Kontaktor magnetik modern telah berkembang secara signifikan sejak penemuannya pada awal 1900-an, tetapi prinsip elektromagnetik inti tetap tidak berubah. Menurut standar IEC 60947-4, perangkat yang mengalihkan lebih dari 15 ampere atau sirkuit yang diberi peringkat di atas beberapa kilowatt diklasifikasikan sebagai kontaktor, membedakannya dari relai berdaya rendah.
Dalam istilah praktis, kontaktor berfungsi sebagai “sakelar on/off” untuk peralatan yang terlalu kuat untuk dikendalikan secara langsung. Tanpa kontaktor, Anda memerlukan sakelar manual yang besar—berbahaya untuk dioperasikan dan rentan terhadap kegagalan—atau Anda akan dipaksa untuk menjalankan kabel tegangan tinggi langsung ke panel kontrol, menciptakan bahaya keselamatan yang serius. Kontaktor memecahkan kedua masalah dengan memungkinkan kontrol jarak jauh yang aman dari beban berat menggunakan sinyal tegangan rendah.
Bagaimana Cara Kerja Kontaktor?
Memahami prinsip kerja kontaktor memerlukan penyelaman ke dalam fisika elektromagnetisme, khususnya Hukum Induksi Elektromagnetik Faraday. Jangan khawatir—kami akan membuatnya tetap praktis.
Proses Pengalihan Elektromagnetik
Langkah 1: Pemberian Energi pada Koil
Ketika Anda menutup sakelar kontrol (atau output PLC aktif), arus listrik mengalir melalui koil elektromagnetik kontaktor. Koil ini terdiri dari ribuan lilitan kawat tembaga berinsulasi yang dililitkan di sekitar inti besi berlapis. Saat arus melewati koil, ia menghasilkan medan magnet sesuai dengan aturan tangan kanan—fluks magnet (Φ) berbanding lurus dengan arus (I) dan jumlah lilitan koil (N):
Φ = N × I / R_magnetik
Di mana R_magnetik adalah keengganan magnetik dari bahan inti.
Langkah 2: Tarikan Armatur
Medan magnet menciptakan gaya tarik yang kuat yang menarik armatur bergerak (pelat logam pegas) menuju inti besi tetap. Gaya yang dihasilkan sebanding dengan kuadrat kerapatan fluks magnet:
F = B² × A / (2μ₀)
Di mana B adalah kerapatan fluks, A adalah luas permukaan kutub, dan μ₀ adalah permeabilitas udara.
Langkah 3: Penutupan Kontak
Saat armatur bergerak, ia secara mekanis mendorong kontak bergerak ke dalam kontak yang kuat dengan kontak stasioner. Tekanan kontak sangat penting—terlalu sedikit dan Anda mendapatkan busur; terlalu banyak dan Anda mempercepat keausan. Tekanan kontak tipikal berkisar antara 0,5 hingga 2,0 N/mm² tergantung pada peringkat arus.
Langkah 4: Aliran Arus
Dengan kontak tertutup, arus beban penuh mengalir melalui terminal daya utama (biasanya diberi label L1/L2/L3 ke T1/T2/T3 untuk aplikasi tiga fase). Resistansi kontak harus minimal—biasanya di bawah 1 miliohm untuk kontaktor besar—untuk mencegah pemanasan berlebihan.
Langkah 5: De-energisasi
Ketika sirkuit kontrol terbuka, arus berhenti di koil, dan medan magnet runtuh. Mekanisme pegas (atau gravitasi dalam beberapa desain) segera mendorong armatur kembali ke posisi terbukanya, memisahkan kontak. Pemisahan mekanis ini harus mengatasi kecenderungan kontak untuk menyatu karena energi busur.
Penekanan Busur: Tantangan Tersembunyi
Di sinilah kontaktor menjadi menarik. Ketika Anda memutuskan beban induktif seperti motor, medan magnet yang runtuh dalam belitan motor menghasilkan lonjakan tegangan tinggi yang mencoba mempertahankan aliran arus melintasi kontak yang terbuka. Ini menciptakan sebuah busur listrik—pada dasarnya saluran plasma yang mengalirkan arus melalui udara.
Untuk Kontaktor AC:
Penekanan busur lebih mudah karena arus AC secara alami melintasi nol 100 atau 120 kali per detik (untuk sistem 50Hz atau 60Hz). Kontaktor menggunakan saluran busur—pelat logam berinsulasi yang memperpanjang dan mendinginkan busur, memadamkannya pada persilangan nol.
Untuk Kontaktor DC:
Busur DC tidak memiliki persilangan nol, membuatnya jauh lebih sulit untuk dipadamkan. Kontaktor DC menggunakan koil ledakan magnetik yang menghasilkan medan magnet tegak lurus terhadap busur, secara fisik mendorongnya ke dalam saluran busur di mana ia diregangkan dan didinginkan sampai pecah.
Energi yang dihamburkan dalam busur dapat dihitung sebagai:
E_busur = 0,5 × L × I²
Di mana L adalah induktansi sirkuit dan I adalah arus pada saat interupsi.
Inilah mengapa kontaktor dinilai berdasarkan kategori penggunaan (AC-1, AC-3, AC-4, dll.)—setiap kategori menentukan arus maksimum yang dapat diinterupsi dengan aman oleh kontaktor dalam kondisi beban tertentu.

Anatomi Kontaktor: 8 Komponen Inti
Mari kita bedah kontaktor untuk memahami apa yang membuatnya berfungsi. Setiap kontaktor, dari model 9A yang ringkas hingga monster industri 800A yang besar, berisi delapan komponen penting ini:
1. Koil Elektromagnetik (Jantung)
Koil adalah sumber daya kontaktor. Biasanya terdiri dari:
- 1.000-3.000 lilitan kawat tembaga berenamel (lebih banyak lilitan = kebutuhan arus lebih rendah)
- Inti besi berlapis (untuk AC) atau inti baja padat (untuk DC) untuk memusatkan fluks magnet
- Kelas isolasi (biasanya Kelas F/155°C atau Kelas H/180°C) untuk menahan panas
- Resistansi koil 100-500Ω untuk koil AC, 50-200Ω untuk koil DC
Pro Tip: Selalu ukur resistansi koil saat memecahkan masalah. Koil yang terhubung singkat menunjukkan resistansi mendekati nol; koil terbuka menunjukkan resistansi tak terhingga.
2. Kontak Daya Utama (Otot)
Kontak pembawa arus ini adalah ujung bisnis kontaktor:
- Bahan kontak: Perak-kadmium oksida (AgCdO) untuk tujuan umum, perak-nikel (AgNi) untuk tugas pengalihan tinggi, atau paduan tungsten untuk aplikasi DC
- Konfigurasi kontak: Kutub tunggal (1P), dua kutub (2P), tiga kutub (3P), atau empat kutub (4P) tergantung pada aplikasi
- Tekanan kontak: Pegas untuk mempertahankan gaya 0,5-2,0 N/mm²
- Resistensi kontak: Kurang dari 1mΩ saat baru, tidak boleh melebihi 5mΩ sebelum penggantian
3. Sistem Penekan Busur Api
Fitur keselamatan penting ini mencegah pengelasan kontak:
- Saluran busur api: Pelat logam paralel yang membagi dan mendinginkan busur api
- Peniupan magnetik: Kumparan tambahan (kontaktor DC) yang membelokkan busur api ke dalam saluran
- Pelari busur api: Pelat tembaga atau baja yang mengarahkan busur api menjauh dari kontak utama
4. Armatur Bergerak
Penghubung mekanis antara kumparan dan kontak:
- Bahan: Baja berlapis untuk AC (mengurangi kerugian arus eddy), baja padat untuk DC
- Jarak tempuh: Biasanya gerakan 2-5mm untuk menutup kontak
- Gaya aktuasi: Harus mengatasi tekanan pegas kontak ditambah setiap pengelasan kontak
5. Mekanisme Pegas Pengembali
Memastikan pembukaan yang aman:
- Tingkat pegas: Dikalibrasi untuk membuka kontak dengan andal saat kumparan tidak diberi energi
- Bahan: Baja tahan karat atau baja pegas untuk ketahanan korosi
- Redundansi: Banyak kontaktor industri menggunakan pegas ganda untuk keandalan
6. Kontak Bantu
Kontak yang lebih kecil ini (berperingkat 6-10A) melayani fungsi kontrol:
- Biasanya Terbuka (TIDAK): Menutup saat kontaktor diberi energi
- Biasanya Tertutup (NC): Membuka saat kontaktor diberi energi
- Aplikasi: Interlocking, indikasi status, umpan balik PLC
- Konfigurasi: Tersedia sebagai 1NO+1NC, 2NO+2NC, 4NO, dll.
7. Rangka Enklosur
Rumah pelindung:
- Bahan: Termoplastik (untuk pemasangan rel DIN), logam (untuk lingkungan yang keras)
- Peringkat IP: IP20 (standar dalam ruangan), IP54 (tahan debu), IP65 (tahan air)
- Ketahanan api: Peringkat UL 94 V-0 untuk keselamatan kebakaran
- Penahanan busur api: Harus menahan energi busur api internal tanpa pecah
8. Koneksi Terminal
Antarmuka ke seluruh sistem Anda:
- Terminal daya: Tipe sekrup (M4-M8) atau gaya pelat tekanan untuk kontak utama
- Terminal kumparan: Biasanya diberi label A1/A2 (atau terkadang 1/2)
- Terminal bantu: Biasanya diberi nomor berurutan (13/14, 21/22, dll.)
- Kapasitas kawat: Ditentukan oleh luas penampang (misalnya, 1,5-6mm² untuk kontaktor kecil)

Kesalahan Umum: Banyak teknisi mengabaikan kontak bantu selama pemecahan masalah. Kontak kecil ini lebih sering gagal daripada kontak utama tetapi dapat menyebabkan gejala yang identik (peralatan tidak akan mulai).
Jenis-jenis Kontaktor
Kontaktor hadir dalam berbagai variasi, masing-masing dioptimalkan untuk aplikasi tertentu. Memahami perbedaan ini sangat penting untuk spesifikasi yang tepat.
Kontaktor AC vs. Kontaktor DC
Kontaktor AC dirancang untuk sirkuit arus bolak-balik:
- Desain kumparan: Gunakan inti berlapis untuk mengurangi kerugian arus eddy (yang jika tidak akan memanaskan kumparan)
- ACB memutus busur di udara atmosfer. Kontak pemutus ditempatkan di dalam arc chute—susunan pelat logam yang diposisikan untuk menangkap busur saat kontak terpisah. Urutannya adalah: Bergantung pada persilangan nol arus alami (50Hz = 100 persilangan nol/detik, 60Hz = 120 persilangan nol/detik)
- Kategori pemanfaatan: AC-1 (resistif), AC-2 (motor cincin slip), AC-3 (motor sangkar tupai), AC-4 (plugging/jogging)
- Peringkat tegangan: Peringkat umum termasuk 230V, 400V, 500V, 690V AC
- Aplikasi: Motor industri, kompresor HVAC, kontrol pencahayaan, elemen pemanas
Contoh model: VIOX CT1-32, nilai 32A pada AC-3, 400V, cocok untuk motor hingga 15kW.
Kontaktor DC dirancang untuk arus searah:
- Desain kumparan: Inti baja padat (tidak perlu laminasi—DC tidak menginduksi arus eddy)
- ACB memutus busur di udara atmosfer. Kontak pemutus ditempatkan di dalam arc chute—susunan pelat logam yang diposisikan untuk menangkap busur saat kontak terpisah. Urutannya adalah: Kumparan pemadam busur magnetik penting (busur DC memiliki energi berkelanjutan, tidak ada zero crossing)
- Sensitivitas polaritas: Harus menghubungkan positif/negatif dengan benar untuk memastikan pemadaman busur yang tepat
- Penurunan tegangan: Lebih tinggi dari AC (biasanya 0,8-1,5V di seluruh kontak tertutup vs. 0,3-0,5V untuk AC)
- Aplikasi: Sistem PV surya, bank baterai, pengisian kendaraan listrik, kontrol motor DC, energi terbarukan
Contoh model: VIOX DC-250, nilai 250A pada 1000V DC, cocok untuk kotak penggabung surya.
Kontaktor Magnetik vs. Manual
Kontaktor Magnetik (paling umum):
- Dioperasikan secara elektrik melalui kumparan
- Memungkinkan kendali jarak jauh
- Terintegrasi dengan sistem otomasi
- Membutuhkan sumber tegangan kontrol
Kontaktor Manual:
- Dioperasikan secara mekanis dengan tuas tangan
- Tidak diperlukan kumparan
- Digunakan di mana kendali jarak jauh tidak diperlukan
- Sering disebut “sakelar motor”
Kontaktor NEMA vs. IEC
Dua standar yang bersaing mendominasi pasar:
NEMA (National Electrical Manufacturers Association):
- Ukuran: Ditentukan oleh angka (Ukuran 00, 0, 1, 2, 3, 4, 5, 6, 7, 8, 9)
- Metode penilaian: Berdasarkan daya kuda pada tegangan tertentu (misalnya, “Ukuran 2 = 25HP @ 230V, 50HP @ 460V”)
- Desain: Ukuran fisik lebih besar dengan margin keamanan bawaan
- Pasar: Didominasi Amerika Utara
- Contoh: Schneider Electric 8910DPA, Square D 8536
IEC (International Electrotechnical Commission):
- Ukuran: Ditentukan oleh huruf (Ukuran A, B, C, D, E, F, G, H, J, K, L, M, N)
- Metode penilaian: Berdasarkan arus pada kategori penggunaan tertentu (misalnya, “32A @ AC-3, 400V”)
- Desain: Lebih ringkas, membutuhkan perlindungan beban berlebih eksternal
- Pasar: Eropa, Asia, semakin global
- Contoh: Siemens 3RT2, ABB AF, Schneider LC1D

Jenis Kontaktor Khusus
Kontaktor Pembalik:
- Dua kontaktor yang saling terkait secara mekanis untuk pembalikan arah motor
- Mencegah pemberian energi simultan (yang akan menyebabkan korsleting)
- Penting untuk sistem konveyor, kerekan, crane
Kontaktor Pengalih Kapasitor:
- Kontak khusus tahan terhadap pengelasan dari arus masuk yang tinggi
- Sering menyertakan resistor pra-penyisipan untuk membatasi arus masuk
- Digunakan untuk bank koreksi faktor daya
Kontaktor Penerangan:
- Dinilai untuk arus masuk lampu tungsten (hingga 10× arus keadaan tunak)
- Sering menyertakan sakelar bantu untuk lampu indikator
- Tersedia dalam peringkat NEMA 0-9 dan IEC 20A-400A
Kontaktor Vakum:
- Aplikasi tegangan menengah (1kV-38kV)
- Kontak beroperasi dalam botol vakum tertutup
- Masa pakai listrik sangat panjang (100.000+ operasi)
- Digunakan di pertambangan, utilitas, fasilitas industri besar
Kontaktor vs. Relai vs. Pemutus Sirkuit
Insinyur seringkali mencampuradukkan ketiga perangkat ini. Meskipun mereka berbagi prinsip operasi elektromagnetik, fungsi dan aplikasi mereka berbeda secara signifikan. Berikut adalah perbandingan definitif:
| Fitur | Kontaktor | Relay | Pemutus Sirkuit |
|---|---|---|---|
| Fungsi Utama | Menghidupkan/MEMATIKAN beban daya tinggi | Kontrol logika, pengalihan sinyal | Arus lebih dan korsleting perlindungan |
| Peringkat Saat Ini | 9A – 800A+ | 0.5A – 40A (kebanyakan di bawah 10A) | 0,5A – 6.300A |
| Peringkat Tegangan | Hingga 1.000V AC/DC | Biasanya ≤250V | Hingga 1.200V AC |
| Penekanan Busur Api | Tingkat lanjut (saluran busur, peniup busur) | Minimal (kontak kecil) | Tingkat lanjut (peniup magnetik) |
| Bahan Kontak | AgCdO, AgNi, paduan tungsten | Perak, perak-nikel | Tembaga-tungsten, paduan perak |
| Kehidupan Mekanis | 10 juta operasi | 10-50 juta operasi | 10.000-25.000 operasi |
| Kehidupan Listrik | 1-5 juta (tergantung beban) | 100.000-1 juta | 5.000-10.000 operasi |
| Penggantian Manual | Tidak (hanya operasi elektrik) | Tidak (hanya operasi elektrik) | Ya (mekanisme trip/reset) |
| Fungsi Proteksi | Tidak ada (hanya switching) | Tidak ada (hanya switching) | Ya (trip karena kelebihan beban/gangguan) |
| Konfigurasi Kontak | Biasanya TIDAK (normalnya terbuka) | NO, NC, changeover | Biasanya tetap (trip-terbuka) |
| Rangkaian Kontrol | Sirkuit tegangan rendah terpisah | Sirkuit tegangan rendah terpisah | Mandiri (termal/magnetik) |
| Waktu Respons | 20-100 ms | 5-20ms | <10ms (magnetik), detik (termal) |
| Kisaran Biaya | $15-$300 | $3-$50 | $5-$5,000+ |
| Ukuran Fisik | Sedang hingga besar | Kecil | Kecil hingga sangat besar |
| Aplikasi Khas | Starter motor, HVAC, penerangan | Sirkuit kontrol, otomasi | Proteksi panel, feeder motor |
Perbedaan Penting: Sebuah kontaktor adalah bukan perangkat proteksi. Ia akan dengan senang hati terus mengalirkan arus gangguan hingga beban atau kontaktor itu sendiri hancur. Selalu pasangkan kontaktor dengan pemutus sirkuit atau sekering untuk proteksi arus lebih.
Untuk pembahasan lebih mendalam tentang perbedaan penting ini, lihat panduan komprehensif kami: Kontaktor vs. Pemutus Sirkuit.
Mengapa Anda Tidak Dapat Mengganti:
- Menggunakan relai untuk motor 50A → Kontak relai menyatu secara instan
- Menggunakan kontaktor alih-alih pemutus sirkuit → Tidak ada proteksi terhadap kelebihan beban atau korsleting
- Menggunakan pemutus sirkuit sebagai kontaktor → Kegagalan prematur akibat siklus berlebihan (pemutus sirkuit tidak dirancang untuk operasi on/off yang sering)
Aplikasi Kontaktor
Kontaktor sangat umum dalam sistem kelistrikan modern. Berikut adalah delapan kategori aplikasi utama:
1. Kontrol & Otomasi Motor
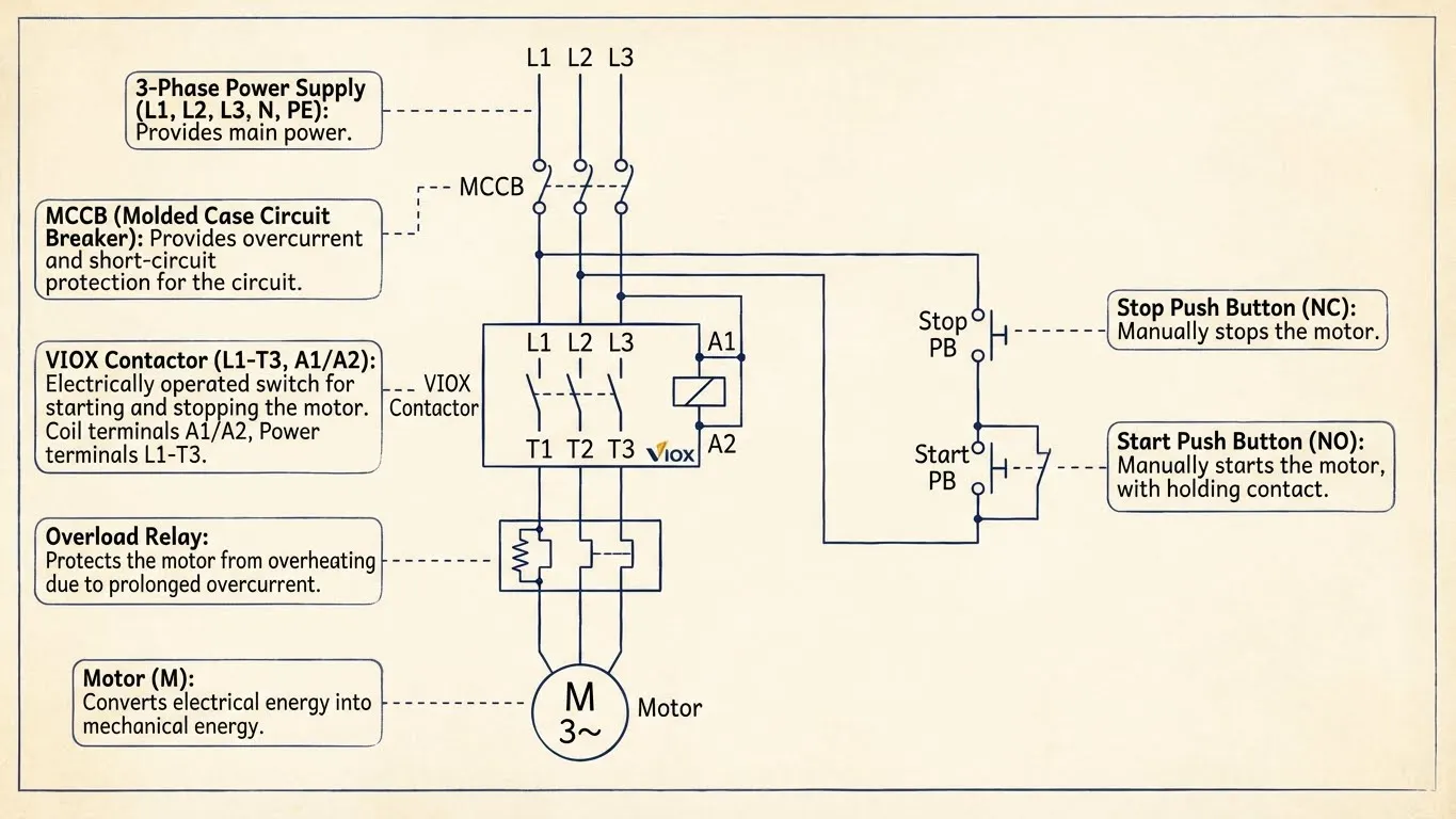
Ini adalah aplikasi tunggal terbesar untuk kontaktor. Dalam starter motor direct-on-line (DOL), kontaktor melakukan pekerjaan berat:
Cara kerjanya:
- PLC atau sakelar manual mengirimkan sinyal 24V ke koil kontaktor
- Kontaktor menutup, menerapkan daya tiga fase penuh ke motor
- Relai kelebihan beban memantau arus; jika berlebihan, ia membuka sirkuit kontrol
- Tombol berhenti darurat segera mematikan kontaktor
Mengapa kontaktor penting:
Arus start motor dapat 6-8× arus beban penuh. Motor 10HP yang menarik 14A pada beban penuh menarik 84-112A selama start-up. Hanya kontaktor yang diberi peringkat untuk tugas AC-3 atau AC-4 yang dapat menangani tekanan berulang ini.
Aplikasi tingkat lanjut:
- Star-delta starting: Menggunakan dua kontaktor untuk mengurangi arus start sebesar 33%
- Kontrol pembalik: Dua kontaktor yang saling mengunci menukar dua fasa untuk pembalikan arah
- Integrasi soft-start: Kontaktor melewati soft-start setelah ramp-up
Untuk informasi starter motor yang lebih rinci, lihat: Kontaktor vs. Starter Motor.
2. Sistem HVAC
Sistem pemanas, ventilasi, dan pendingin udara komersial bergantung pada kontaktor untuk kontrol kompresor dan kipas:
Aplikasi perumahan (unit 1-5 ton):
- Kontaktor kutub tunggal atau dua kutub (20A-40A tipikal)
- Tegangan kontrol: Biasanya 24V AC dari transformator termostat
- Mode kegagalan: Sebagian besar panggilan “tidak mau menyala” HVAC melibatkan kontaktor yang gagal
Aplikasi komersial (unit 10-100+ ton):
- Kontaktor tiga kutub (60A-200A+)
- Beberapa tahap dengan start-up berurutan
- Masa pakai yang diharapkan: 5-10 tahun dengan penggunaan musiman, 3-5 tahun dengan penggunaan terus menerus
Pro Tip: Kontaktor HVAC adalah titik kegagalan #1 dalam sistem pendingin udara. Serangga (terutama semut) tertarik pada medan listrik dan sering bersarang di kontaktor, mencegah penutupan kontak.
3. Sistem PV Surya & Penyimpanan Energi
Revolusi energi terbarukan telah menciptakan permintaan besar untuk kontaktor DC:
Isolasi string:
Kontaktor DC memutuskan string surya individual untuk pemeliharaan atau keadaan darurat. Penting untuk:
- Kepatuhan rapid shutdown (NEC 690.12)
- Pemeliharaan array tanpa mematikan seluruh sistem
- Keselamatan kebakaran (memungkinkan petugas pemadam kebakaran untuk mematikan array di atap)
Perlindungan bank baterai:
Dalam Sistem Penyimpanan Energi Baterai (BESS), kontaktor menyediakan:
- Kontrol sirkuit pra-pengisian (membatasi inrush ke kapasitor bus DC)
- Pemutusan darurat untuk peristiwa thermal runaway
- Isolasi modul untuk pemeliharaan
Pertimbangan tegangan:
Sistem surya beroperasi pada 600V-1500V DC, membutuhkan kontaktor khusus dengan:
- Isolasi tegangan tinggi (3kV+ antara koil dan kontak)
- Magnetic blowout yang kuat (pemadaman busur DC menantang)
- Enklosur berperingkat luar ruangan (IP65+)
Jelajahi aplikasi surya secara detail: Kotak Kombiner Surya vs. Konektor Cabang-Y.
4. Infrastruktur Pengisian Daya EV
Stasiun pengisian kendaraan listrik menggunakan kontaktor untuk keselamatan dan kontrol:
Pengisi Daya AC Level 2 (7-22kW):
- Kontaktor AC memutuskan daya ketika:
- Kabel pengisi daya dicabut
- Ground fault terdeteksi
- Kendaraan memberi sinyal pengisian daya selesai
- Peringkat tipikal: 40A-80A, 230V-400V AC
Pengisi Daya Cepat DC (50-350kW):
- Kontaktor DC tegangan tinggi (250A-500A, 500V-1000V DC)
- Kontaktor pra-pengisian membatasi inrush ke baterai kendaraan
- Kontaktor kutub positif dan negatif untuk isolasi lengkap
5. Kontrol Pencahayaan Industri
Fasilitas komersial dan industri besar menggunakan kontaktor pencahayaan untuk:
Kontrol terpusat:
- Kontaktor tunggal mengontrol ratusan perlengkapan
- Operasi jam waktu atau fotosel
- Integrasi manajemen energi
Peringkat tipikal:
- Kontaktor pencahayaan NEMA: 20A-400A
- Dipegang secara elektrik (mengunci secara mekanis) atau dipegang secara mekanis (aksi toggle)
- Sering menyertakan kontak bantu untuk indikasi status
6. Kontrol Elemen Pemanas
Sistem pemanas listrik membutuhkan kontaktor untuk:
Oven/tungku industri:
- Kontaktor mengalihkan elemen pemanas resistif (50kW-500kW+)
- Kategori penggunaan AC-1 (beban resistif)
- Peringkat arus kontinu lebih tinggi daripada kontaktor tugas motor
Pemanasan gedung:
- Unit pemanas atap
- Tangki pemanas proses
- Pemanas konstruksi sementara
7. Bank Kapasitor (Koreksi Faktor Daya)
Untuk mengurangi biaya daya reaktif, fasilitas industri menggunakan bank kapasitor yang diaktifkan dengan kontaktor:
Spesifikasi aplikasi:
- Kontaktor kapasitor dengan nilai arus masuk tinggi (hingga 200× kondisi tunak)
- Resistor pra-penyisipan membatasi arus masuk
- Resistor pelepasan membuang muatan sisa setelah pemutusan
Urutan switching:
- Pengontrol memantau faktor daya
- Mengaktifkan/menonaktifkan langkah kapasitor untuk mempertahankan PF target (biasanya 0,95-0,98)
8. Sistem Konveyor & Penanganan Material
Kontrol berbasis kontaktor memungkinkan:
Kontrol zona:
- Setiap bagian konveyor memiliki kontaktor khusus
- Start-up berurutan mencegah kelebihan beban
- Emergency stop mematikan semua zona secara bersamaan
Operasi pembalikan:
- Kontaktor maju/mundur yang saling mengunci secara mekanis
- Mencegah pemberian energi secara bersamaan (akan menyebabkan korsleting)

Cara Memilih Kontaktor yang Tepat
Memilih kontaktor yang benar memerlukan evaluasi sepuluh parameter penting. Jika salah, Anda akan menghadapi kegagalan prematur, bahaya keselamatan, atau inefisiensi sistem.
1. Nilai Tegangan (Ue)
Tegangan operasional (Ue) adalah tegangan maksimum yang dapat di-switch oleh kontaktor dengan aman. Harus memenuhi atau melebihi tegangan sistem Anda:
Nilai tegangan AC umum:
- Fase tunggal: 110V, 230V, 277V, 400V, 480V
- Tiga fase: 230V, 400V, 480V, 600V, 690V
Nilai tegangan DC umum:
- Tegangan rendah: 12V, 24V, 48V, 110V
- Surya/industri: 250V, 500V, 750V, 1000V, 1500V
Penurunan nilai untuk ketinggian:
Di atas ketinggian 1000m, turunkan nilai tegangan sebesar 10% per 1000m. Pada ketinggian 2000m, kontaktor dengan nilai 1000V DC hanya boleh digunakan hingga 800V DC.
2. Nilai Arus (Ie)
Di sinilah sebagian besar kesalahan spesifikasi terjadi. Anda harus mempertimbangkan:
Arus operasional terukur (Ie):
Arus kontinu maksimum yang dapat dibawa kontaktor tanpa terlalu panas. Ini biasanya ditentukan pada suhu sekitar 40°C.
Untuk beban motor (nilai AC-3): Pilih berdasarkan Arus Beban Penuh (FLA) motor dari nameplate:
- Motor 15kW @ 400V 3-fase: FLA ≈ 30A → Pilih kontaktor 40A
- Tambahkan margin keselamatan 25% untuk start yang sering atau lingkungan yang keras
Rumus untuk arus motor: I = P / (√3 × V × cos φ × η)
Dimana:
- P = daya motor (watt)
- V = tegangan saluran
- cos φ = faktor daya (biasanya 0,85-0,9 untuk motor)
- η = efisiensi (biasanya 0,85-0,95)
Untuk beban resistif (nilai AC-1):
- Pemanas 15kW @ 400V: I = 15.000W ÷ 400V = 37,5A → Pilih kontaktor 40A
Pro Tip: Kesalahan umum adalah menentukan ukuran berdasarkan horsepower nameplate motor daripada FLA aktual. Selalu gunakan FLA sebagai parameter ukuran utama Anda.
3. Kategori Penggunaan (IEC 60947-4)
Spesifikasi ini mendefinisikan kemampuan kontaktor untuk membuat dan memutus jenis beban tertentu:
| Kategori | Aplikasi | Arus Pembuatan | Arus Pemutusan |
|---|---|---|---|
| AC-1 | Non-induktif atau sedikit induktif (pemanas, resistor) | 1,5× Ie | 1× Ie |
| AC-2 | Motor cincin slip (starting, switching selama berjalan) | 2,5× Ie | 2,5× Ie |
| AC-3 | Motor sangkar tupai (starting, switching selama berjalan) | 6× Ie | 1× Ie |
| AC-4 | Motor sangkar tupai (starting, plugging, inching) | 6× Ie | 6× Ie |
| DC-1 | Beban DC non-induktif atau sedikit induktif | 1,5× Ie | 1× Ie |
| DC-3 | Motor DC (starting, plugging, inching, dynamic braking) | 2,5× Ie | 2,5× Ie |
Mengapa hal ini penting:
Kontaktor dengan rating AC-3 hanya dapat memutus 1× Ie. Untuk aplikasi yang melibatkan plugging (membalikkan motor yang sedang berjalan) atau jogging (semburan pendek yang sering), Anda memerlukan kontaktor dengan rating AC-4 yang dapat dengan aman memutus 6× Ie.
Contoh:
Kontaktor AC-3 32A dapat menghidupkan motor yang menarik arus masuk 192A (6× 32A) tetapi hanya dapat memutus 32A dengan aman. Jika Anda membalikkan motor saat berjalan pada 32A, Anda membuat arus efektif 64A (maju + mundur), yang melebihi kapasitas pemutusan AC-3. Anda memerlukan kontaktor AC-4 32A sebagai gantinya.
4. Tegangan Koil
Kumparan elektromagnetik harus sesuai dengan tegangan rangkaian kontrol Anda:
Tegangan kumparan umum:
- AC: 24V, 48V, 110V, 120V, 208V, 220V, 230V, 240V, 277V, 400V, 415V, 440V, 480V, 500V, 600V
- DC: 12V, 24V, 48V, 110V, 125V, 220V
Toleransi tegangan:
- Kumparan AC: Biasanya ±15% (misalnya, kumparan 230V beroperasi pada 195V-265V)
- Kumparan DC: Biasanya ±20% (misalnya, kumparan 24V DC beroperasi pada 19V-29V)
Praktik terbaik untuk kontrol PLC: Menggunakan Kumparan 24V DC bila memungkinkan. Manfaatnya meliputi:
- Kekebalan terhadap noise (kumparan AC dapat bergetar dengan fluktuasi tegangan)
- Kompatibilitas PLC universal
- Konsumsi daya lebih rendah (10-15W vs. 20-40W untuk kumparan AC)
- Tidak ada masalah arus masuk
Konsumsi daya kumparan:
Kontaktor kecil (9-32A): 2-15W
Kontaktor sedang (40-95A): 15-40W
Kontaktor besar (150A+): 40-150W
5. Kontak Bantu
Kontak yang lebih kecil ini (biasanya berperingkat 6A-10A) menyediakan fungsionalitas rangkaian kontrol:
Konfigurasi standar:
- 1NO (satu normally open)
- 1NC (satu normally closed)
- 1NO + 1NC
- 2NO + 2NC
- 4NO
Aplikasi umum:
- Rangkaian interlock: Kontak bantu NO dari Kontaktor A yang dihubungkan secara seri dengan kumparan Kontaktor B mencegah operasi simultan
- Indikasi status: Kontak bantu NO memberi daya pada lampu pilot hijau “motor berjalan”
- Umpan balik PLC: Kontak bantu NO menyediakan input digital ke PLC yang mengonfirmasi kontaktor tertutup
- Penyegelan rangkaian kontrol: Kontak bantu NO mempertahankan energi kumparan setelah tombol start sesaat dilepaskan
Pro Tip: Saat merancang rangkaian kontrol motor, selalu tentukan kontak bantu tambahan. Perbedaan biayanya minimal (Rp15.000-Rp225.000), tetapi pemasangan kembali mahal dan memakan waktu.
6. Umur Mekanik & Elektrikal
Umur kontaktor tergantung pada jenis beban dan frekuensi switching:
Umur mekanik (tanpa beban):
- Kontaktor standar: 10 juta operasi
- Kontaktor tugas berat: 20 juta operasi
- Standar pengujian: IEC 60947-4-1
Umur elektrikal (di bawah beban):
| Jenis Beban | Umur Elektrikal @ Arus Terukur |
|---|---|
| AC-1 (resistif) | 2-5 juta operasi |
| AC-3 (motor, tugas normal) | 1-2 juta operasi |
| AC-4 (motor, tugas berat) | 200.000-500.000 operasi |
| DC-3 (motor DC) | 100.000-300.000 operasi |
Derating untuk operasi yang sering:
Untuk aplikasi yang berputar lebih dari 100 kali/jam, naikkan ukuran sebesar satu ukuran NEMA atau pilih ukuran bingkai IEC yang lebih tinggi. Contoh: Jika perhitungan menghasilkan 32A, tentukan 40A untuk aplikasi siklus tinggi.
Tingkat kegagalan dunia nyata:
- Kontaktor yang dirawat dengan baik dalam aplikasi yang tepat: tingkat kegagalan tahunan 0,5-1%
- Kontaktor yang kelebihan ukuran dengan perangkat pelindung: tingkat kegagalan tahunan 0,1-0,3%
- Kontaktor yang kekurangan ukuran atau diterapkan secara tidak benar: tingkat kegagalan tahunan 5-10%
7. Perlindungan Lingkungan (Peringkat IP)
The Perlindungan Masuknya Air Peringkat IP mendefinisikan penyegelan enklosur:
| Peringkat IP | Perlindungan Partikel Padat | Perlindungan Terhadap Masuknya Cairan | Aplikasi Khas |
|---|---|---|---|
| IP20 | >12.5mm benda | Tidak ada | Panel dalam ruangan, terkontrol iklim |
| IP40 | >1mm benda | Tidak ada | Industri dalam ruangan, berdebu |
| IP54 | Terlindungi dari debu | Tahan percikan | Enklosur luar ruangan, area pencucian |
| IP65 | Kedap debu | Tahan semprotan air | Lingkungan luar ruangan yang basah |
| IP67 | Kedap debu | Temporary immersion | Bawah tanah, rawan banjir |
Panduan pemilihan:
- Panel dalam ruangan: IP20 cukup
- Fasilitas industri (debu, serpihan): IP40 minimum, IP54 direkomendasikan
- Instalasi luar ruangan: IP54 minimum, IP65 direkomendasikan untuk cuaca buruk
- Area pencucian (pengolahan makanan, tempat cuci mobil): IP65 minimum
8. Suhu Ambient & Derating
Kontaktor biasanya dinilai untuk suhu ambient 40°C (104°F). Pengoperasian di atas ini memerlukan derating:
Kurva derating suhu:
- 40°C (104°F): 100% arus terukur
- 50°C (122°F): 90% arus terukur
- 60°C (140°F): 75% arus terukur
- 70°C (158°F): 50% arus terukur
Contoh:
Sebuah kontaktor 63A dalam panel 55°C harus di-derating menjadi: 63A × 0.85 = 53.5A maksimum
Penurunan ketinggian:
Pada ketinggian tinggi, udara yang lebih tipis mengurangi pendinginan dan kekuatan breakdown tegangan:
- Permukaan laut hingga 1000m: 100% nilai terukur
- 1000m hingga 2000m: 90% nilai terukur
- 2000m hingga 3000m: 80% nilai terukur
9. Persyaratan Interlock Mekanis
Untuk aplikasi pembalik atau bypass, interlock mekanis mencegah pemberian energi secara bersamaan:
Jenis interlock mekanis:
- Gaya batang dorong: Batang fisik mencegah kedua kontaktor menutup
- Gaya batang geser: Mekanisme batang memblokir gerakan armature
- Interlock kontak bantu: Hanya elektrikal (kurang andal daripada mekanis)
Aplikasi yang memerlukan interlock mekanis:
- Kontrol motor maju/mundur
- Starting bintang-delta
- Sakelar transfer otomatis/manual
- Pengalihan daya primer/sekunder
Persyaratan kode:
NEC 430.87 dan IEC 60947-4-1 memerlukan interlock mekanis untuk aplikasi pembalik. Interlock elektrikal saja tidak cukup untuk aplikasi yang penting bagi keselamatan.
10. Kepatuhan Standar
Pastikan kontaktor memenuhi standar keselamatan dan kinerja yang berlaku:
Standar Amerika Utara:
- Bahasa Indonesia: UL 508: Peralatan Kontrol Industri
- CSA C22.2 No. 14: Peralatan Kontrol Industri
- NEMA ICS 2: Standar untuk Kontaktor
Standar internasional:
- IEC 60947-4-1: Switchgear dan Controlgear Tegangan Rendah – Kontaktor dan Starter Motor
- Tanda CE: Diperlukan untuk pasar Eropa
- CCC: Sertifikat Wajib China (pasar China)

Praktik Terbaik Pemasangan
- Koneksi Kumparan (A1/A2):
- Selalu verifikasi tegangan kumparan sebelum memberi energi
- Gunakan dioda/varistor penekan untuk kumparan DC untuk mencegah lonjakan tegangan
- Terminal Daya (L1/L2/L3 → T1/T2/T3):
- Kencangkan sesuai spesifikasi torsi pabrikan (biasanya 1.2-2.5 Nm)
- Gunakan konduktor tembaga yang berukuran untuk 125% arus terukur
- Oleskan senyawa anti-oksidan untuk konduktor aluminium
- Pemfasaan:
- Pertahankan urutan fasa (L1→T1, L2→T2, L3→T3) untuk mencegah kesalahan rotasi motor
Manajemen Termal
- Penurunan Nilai (Derating): Kurangi kapasitas kontaktor sebesar 20-30% jika suhu lingkungan melebihi 40°C
- Ventilasi: Pastikan jarak bebas 50mm di atas/bawah kontaktor untuk pembuangan panas
- Ukuran Panel: Hindari kepadatan berlebihan—panas berlebih mengurangi umur kontaktor
Interlock Keselamatan
Untuk aplikasi pembalik atau bypass, gunakan:
- Interlock Mekanis: Batang fisik mencegah penutupan simultan
- Interlock Elektrik: Kontak bantu NC di sirkuit koil yang berlawanan
Pelajari lebih lanjut tentang aplikasi keselamatan di panduan kami: Kontaktor Keselamatan vs. Kontaktor Standar.
Standar NEMA vs. IEC
Dunia kelistrikan terbagi antara dua standar kontaktor: NEMA (Amerika Utara) dan IEC (Internasional). Memahami perbedaan ini sangat penting untuk proyek global dan pengadaan peralatan.
Filosofi Penunjukan Ukuran
NEMA:
Kontaktor ditunjuk dengan angka (00, 0, 1, 2, 3, 4, 5, 6, 7, 8, 9) dengan peringkat berdasarkan daya kuda pada tegangan tertentu.
Contoh: NEMA Ukuran 2
- 25 HP @ 200V, 3-fasa
- 50 HP @ 460V, 3-fasa
- 60 HP @ 575V, 3-fasa
IEC:
Kontaktor ditunjuk dengan huruf (A, B, C, D, E, F, G, H, K, L, M, N) dengan peringkat berdasarkan arus pada kategori penggunaan tertentu.
Contoh: IEC Ukuran D
- 32A @ AC-3, 400V
- (Setara dengan motor ~15 HP)
Perbandingan Ukuran Fisik
Untuk peringkat listrik yang setara, kontaktor NEMA biasanya 30-50% lebih besar daripada kontaktor IEC. Perbedaan ukuran ini berasal dari filosofi desain:
- NEMA: Desain konservatif dengan margin keamanan bawaan
- IEC: Desain ringkas yang membutuhkan perlindungan beban berlebih eksternal

Perbedaan Spesifikasi Teknis
| Spesifikasi | NEMA | IEC |
|---|---|---|
| Dasar peringkat arus | HP pada tegangan | Ampere pada kategori penggunaan |
| Perlindungan kelebihan beban | Seringkali integral | Harus ditambahkan secara terpisah |
| Faktor keamanan | Tertanam dalam perangkat | Ditambahkan oleh pengguna |
| Peringkat kontak | Konservatif | Dioptimalkan |
| Peringkat enklosur | NEMA 1, 3R, 4, 4X, 12 | IP20, IP40, IP54, IP65 |
| Badan standar | UL 508, NEMA ICS 2 | IEC 60947-4-1 |
| Persyaratan pengujian | sertifikasi UL | Penandaan CE, kepatuhan IEC |
Perbandingan Biaya
Untuk aplikasi kontrol motor yang setara:
- Kontaktor NEMA: Biasanya 20-40% lebih mahal
- Kontaktor IEC: Biaya awal lebih rendah, tetapi membutuhkan relai beban berlebih terpisah
Total biaya sistem seringkali serupa, tetapi IEC menawarkan lebih banyak fleksibilitas dalam memilih karakteristik beban berlebih yang tepat.
Penetrasi Pasar Geografis
Dominasi NEMA:
- Amerika Serikat
- Kanada
- Meksiko
- Beberapa negara Karibia
Dominasi IEC:
- Eropa (eksklusif)
- Asia
- Timur Tengah
- Afrika
- Amerika Selatan
- Semakin menembus pasar Amerika Utara
Dapat dipertukarkan
Bisakah Anda mengganti NEMA dengan IEC atau sebaliknya?
Secara Fisik: Ya, tetapi mungkin memerlukan modifikasi panel karena perbedaan ukuran
Secara Elektrik: Biasanya, tetapi pertimbangkan:
- Verifikasi rating arus yang memadai untuk aplikasi
- Tambahkan relay beban lebih jika mengganti NEMA dengan IEC
- Konfirmasikan tegangan koil sesuai dengan rangkaian kontrol
- Periksa konfigurasi kontak bantu sesuai dengan persyaratan rangkaian kontrol
Pro Tip: Untuk desain baru, kontaktor IEC menawarkan keuntungan:
- Tapak yang lebih kecil (kapasitas lebih besar per inci persegi panel)
- Biaya lebih rendah (terutama untuk jumlah besar)
- Ketersediaan global yang lebih besar
- Aksesori modular (lebih mudah untuk menambahkan fungsi)
Analisis Biaya dan ROI
Memahami total biaya kepemilikan membantu membenarkan spesifikasi kontaktor berkualitas dan program pemeliharaan preventif.
Biaya Pembelian Awal (Data Pasar 2026)
Kontaktor NEMA:
| Ukuran | Peringkat Saat Ini | Biaya Khas | Aplikasi |
|---|---|---|---|
| Ukuran 00 | 9A | $25-45 | Motor kecil (1/2-1 HP) |
| Ukuran 0 | 18A | $35-60 | Motor hingga 5 HP |
| Ukuran 1 | 27A | $50-90 | Motor 5-10 HP |
| Ukuran 2 | 45A | $80-150 | Motor 10-25 HP |
| Ukuran 3 | 90A | $150-280 | Motor 25-50 HP |
| Ukuran 4 | 135A | $300-550 | Motor 50-100 HP |
Kontaktor IEC:
| Ukuran | Peringkat Saat Ini | Biaya Khas | Setara NEMA |
|---|---|---|---|
| Ukuran A | 9A | $15-30 | Ukuran 00 |
| Ukuran B | 12A | $18-35 | Ukuran 0 |
| Ukuran C | 25A | $30-55 | Ukuran 1 |
| Ukuran D | 40A | $45-85 | Ukuran 2 |
| Ukuran E | 65A | $80-140 | Ukuran 3 |
| Ukuran F | 95A | $120-220 | Ukuran 3-4 |
Kontaktor Khusus:
- Kontaktor DC: Tambahkan 40-100% premium
- Kontaktor vakum: $500-$5,000+
- Kontaktor pembalik: 180-200% dari biaya kontaktor tunggal
Total Biaya Kepemilikan (Analisis 5 Tahun)
Contoh: Aplikasi Motor 50HP
Opsi 1: Kontaktor IEC Anggaran ($65)
- Biaya awal: $65
- Relay beban lebih: $45
- Instalasi: $100
- Perkiraan kegagalan (5 tahun): 2
- Biaya penggantian: $65 × 2 = $130
- Biaya waktu henti: $500 × 2 = $1,000
- Total: $1,340
Opsi 2: Kontaktor NEMA Premium ($180)
- Biaya awal: $180
- Beban lebih integral: $0
- Instalasi: $100
- Perkiraan kegagalan (5 tahun): 0.5
- Biaya penggantian: $180 × 0.5 = $90
- Biaya waktu henti: $500 × 0.5 = $250
- Total: $620
ROI Kualitas: Kontaktor premium menghemat $720 selama 5 tahun meskipun biaya awal lebih tinggi.
Perhitungan Biaya Downtime
Downtime yang tidak direncanakan adalah pendorong biaya tersembunyi:
Contoh fasilitas manufaktur:
- Output lini produksi: $10.000/jam
- Waktu diagnosis kegagalan kontaktor rata-rata: 30 menit
- Waktu penggantian rata-rata: 30 menit
- Total downtime: 1 jam = biaya $10.000
Bahkan dengan suku cadang yang tersedia, kehilangan produksi jauh melebihi biaya kontaktor.
ROI Pemeliharaan Preventif
Biaya program PM tahunan: $50 per kontaktor (inspeksi, pembersihan, pengujian)
Tanpa PM:
- Tingkat kegagalan tahunan: 5%
- 100 kontaktor terpasang → 5 kegagalan/tahun
- Biaya per kegagalan: rata-rata $1.500 (suku cadang + downtime)
- Total biaya tahunan: $7.500
Dengan PM:
- Tingkat kegagalan tahunan: 1%
- 100 kontaktor terpasang → 1 kegagalan/tahun
- Biaya PM: $50 × 100 = $5.000
- Biaya kegagalan: $1.500 × 1 = $1.500
- Total biaya tahunan: $6.500
Penghematan bersih: $1.000/tahun + peningkatan keandalan + perpanjangan umur peralatan
Pertanyaan yang Sering Diajukan
1. Apa perbedaan antara kontaktor dan relay?
Perbedaan utamanya adalah kapasitas penanganan daya. Kontaktor dirancang untuk aplikasi arus tinggi (9A-800A+) dengan sistem penekan busur yang kuat, sedangkan relay biasanya menangani switching daya rendah (0,5A-40A) untuk sirkuit kontrol dan otomasi. Kontaktor menggunakan kumparan elektromagnetik yang lebih besar, kontak tugas berat yang terbuat dari paduan perak, dan saluran busur untuk pemutusan arus yang aman. Relay lebih kecil, switching lebih cepat (5-20ms vs. 20-100ms untuk kontaktor), dan lebih murah, tetapi tidak dapat dengan aman memutus arus start motor atau beban daya tinggi. Untuk perbandingan detail, lihat Kontaktor vs. Relai: Memahami Perbedaan Utama.
2. Bisakah saya menggunakan kontaktor AC untuk aplikasi DC?
Tidak—ini sangat berbahaya. Kontaktor AC tidak memiliki kumparan peniup magnetik yang diperlukan untuk memadamkan busur DC. Ketika arus AC melintasi nol 100-120 kali per detik, busur secara alami padam. Arus DC tidak memiliki lintasan nol—busur mempertahankan dirinya tanpa batas waktu, menyebabkan kontak menyatu, housing meleleh, dan potensi bahaya kebakaran. Busur DC dapat bertahan pada tegangan serendah 12V. Selalu gunakan kontaktor berperingkat DC untuk solar PV, sistem baterai, kendaraan listrik, dan kontrol motor DC. Kontaktor DC menggabungkan magnet permanen atau sistem peniup elektromagnetik yang secara fisik mendorong busur ke dalam saluran busur di mana ia diregangkan dan didinginkan hingga putus.
3. Mengapa kontaktor saya memiliki dua peringkat tegangan pada kumparan?
Banyak kontaktor menentukan rentang tegangan daripada tegangan tunggal (misalnya, “220-240V AC”). Ini menunjukkan bahwa desain kumparan elektromagnetik mentolerir kedua tegangan dalam jendela operasinya. Kumparan menghasilkan gaya magnet yang cukup pada tegangan yang lebih rendah (220V) untuk menutup kontak dengan andal, namun tidak terlalu panas pada tegangan yang lebih tinggi (240V). Fleksibilitas ini mengakomodasi variasi tegangan dalam sistem distribusi daya (toleransi ±10% adalah umum). Namun, Anda tidak dapat menggunakan kumparan 110V pada sirkuit 220V—rentang harus mencakup tegangan kontrol Anda. Untuk aplikasi PLC, menentukan kumparan 24V DC menghilangkan ambiguitas ini dan memberikan kekebalan kebisingan yang lebih baik dibandingkan dengan kumparan AC.
4. Bagaimana cara menentukan ukuran kontaktor untuk motor 3 fasa?
Gunakan motor Arus Beban Penuh (FLA) dari nameplate, bukan tenaga kuda atau arus rotor terkunci. Rumus: Pilih kontaktor dengan peringkat Ie ≥ FLA. Untuk tugas AC-3 (start motor normal): Tambahkan margin keamanan 25% untuk motor dengan start yang sering, beban inersia tinggi, atau lingkungan yang keras. Untuk tugas AC-4 (plugging, jogging, reversing): Tambahkan margin keamanan 50-100%. Contoh: Motor 15kW @ 400V, FLA = 30A → Pilih kontaktor AC-3 40A untuk tugas normal, atau kontaktor AC-4 50A untuk aplikasi tugas berat. Verifikasi kategori penggunaan kontaktor sesuai dengan aplikasi Anda—menggunakan kontaktor berperingkat AC-3 untuk aplikasi plugging menyebabkan kegagalan prematur. Untuk panduan pemilihan lengkap, lihat Cara Memilih Kontaktor dan Pemutus Sirkuit Berdasarkan Daya Motor.
5. Apa tujuan kontak bantu pada kontaktor?
Kontak bantu adalah kontak kecil berarus rendah (biasanya berperingkat 6A-10A) yang beroperasi secara bersamaan dengan kontak daya utama tetapi melayani fungsi sirkuit kontrol daripada membawa arus beban. Aplikasi umum meliputi: Interlocking (Kontak bantu NO kontaktor A dihubungkan secara seri dengan kumparan kontaktor B mencegah operasi simultan dalam aplikasi reversing); Indikasi status (Kontak bantu NO memberi daya pada lampu pilot “motor berjalan” atau mengirim umpan balik ke PLC); Penyegelan sirkuit kontrol (Kontak bantu NO mempertahankan energi kumparan setelah tombol start sesaat dilepaskan—ini disebut sirkuit “seal-in”); Aktivasi alarm (Kontak bantu NC terbuka saat kontaktor diberi energi, memicu alarm jika terjadi operasi yang tidak terduga). Kontak bantu secara signifikan meningkatkan fungsionalitas sistem dengan biaya tambahan minimal ($5-15 per set).
6. Apakah kontaktor memberikan perlindungan arus lebih?
TIDAK. Ini adalah kesalahpahaman yang kritis. Kontaktor adalah perangkat switching murni tanpa fungsi pelindung. Mereka akan terus melewatkan arus gangguan sampai kontaktor hancur atau beban gagal secara dahsyat. Anda harus selalu memasangkan kontaktor dengan pemutus sirkuit, sekering, atau relay beban lebih yang berukuran sesuai untuk melindungi dari korsleting dan beban lebih. Ukuran perangkat pelindung didasarkan pada ampacity konduktor dan arus gangguan, sedangkan ukuran kontaktor didasarkan pada persyaratan beban. Konfigurasi tipikal: Pemutus sirkuit (perlindungan) → Kontaktor (switching) → Relay beban lebih (perlindungan motor) → Motor. Untuk pemahaman komprehensif tentang persyaratan perlindungan, lihat Pemutus Sirkuit vs. Sakelar Isolator.
7. Berapa lama kontaktor bertahan?
Umur kontaktor tergantung pada dua faktor: Kehidupan mekanis (tanpa beban): 10-20 juta operasi tergantung pada kualitas dan ukuran. Kehidupan listrik (di bawah beban): Sangat bervariasi berdasarkan aplikasi. AC-1 (beban resistif): 2-5 juta operasi. AC-3 (motor, tugas normal): 1-2 juta operasi. AC-4 (motor, tugas berat/plugging): 200.000-500.000 operasi. DC-3 (motor DC): 100.000-300.000 operasi. Masa pakai layanan dunia nyata biasanya: 5-10 tahun untuk HVAC (penggunaan musiman), 3-5 tahun untuk aplikasi industri berkelanjutan, 10-15 tahun untuk kontrol pencahayaan. Pemeliharaan yang tepat, ukuran yang benar, dan pendinginan yang memadai secara signifikan memperpanjang umur. Inspeksi rutin setiap 6-12 bulan membantu mendeteksi keausan sebelum terjadi kegagalan.
8. Apa yang menyebabkan kegagalan kumparan kontaktor dan bagaimana saya dapat mencegahnya?
Mode kegagalan utama: Tegangan Lebih (>110% tegangan pengenal menyebabkan kerusakan isolasi dan panas berlebih—verifikasi tegangan kontrol sesuai dengan nilai kumparan); Tegangan Rendah (<85% tegangan pengenal mencegah penutupan yang andal, menyebabkan getaran dan keausan yang dipercepat—periksa penurunan tegangan pada sirkuit kontrol); Terlalu panas (suhu sekitar >40°C tanpa penurunan nilai memperpendek umur kumparan—pastikan ventilasi panel memadai); Kontaminasi (kelembapan, debu, uap kimia merusak isolasi—tentukan peringkat IP yang sesuai untuk lingkungan); Kerusakan mekanis (getaran atau benturan berlebihan mematahkan lilitan kumparan—gunakan dudukan peredam getaran). Strategi pencegahan: Ukur dan dokumentasikan tegangan kumparan selama commissioning; Pasang RC snubber atau MOV surge suppressor pada kumparan DC; Pertahankan suhu panel ≤40°C; Gunakan kumparan 24V DC untuk kontrol PLC (kekebalan kebisingan superior); Tentukan kontaktor dengan peringkat lingkungan (IP54+ untuk kondisi yang keras). Pengujian resistansi isolasi tahunan (kumparan ke rangka harus >1MΩ) mengidentifikasi kumparan yang memburuk sebelum kegagalan.
9. Bisakah saya menyejajarkan kontaktor untuk meningkatkan kapasitas arus?
Tidak disarankan karena beberapa alasan penting: Pembagian arus yang tidak sama (toleransi manufaktur berarti resistansi kontak bervariasi antar kontaktor—satu membawa sebagian besar arus, menggagalkan tujuan); Masalah sinkronisasi (kontaktor tidak menutup secara bersamaan—kontaktor pertama melihat arus penuh hingga yang kedua menutup, sering kali melebihi peringkat); Keausan kontak yang tidak sama (keausan diferensial dipercepat, menyebabkan satu kontaktor gagal sebelum waktunya); Risiko pengelasan kontak (arus masuk melalui kontaktor yang pertama menutup dapat melebihi kapasitas pemutusan). Solusi yang tepat: Tentukan kontaktor tunggal yang diberi peringkat untuk arus beban penuh. Jika tidak ada kontaktor tunggal yang mencukupi, pertimbangkan: Pemutus sirkuit dengan fungsi kontaktor (starter motor kombinasi), Kontaktor vakum (peringkat yang lebih tinggi tersedia), Beberapa motor pada kontaktor terpisah (mendistribusikan beban). Satu-satunya aplikasi paralel yang dapat diterima adalah kontaktor redundan yang saling terkait secara mekanis untuk fungsi keselamatan kritis—tetapi bahkan ini membutuhkan rekayasa yang cermat dan sirkuit penyeimbang beban.
10. Perawatan apa yang dibutuhkan kontaktor?
Inspeksi visual bulanan: Periksa perubahan warna (panas berlebih), suara yang tidak biasa (getaran/dengungan), bau terbakar, koneksi longgar, akumulasi debu. Pencitraan termal triwulanan: Di bawah beban, pindai dengan kamera IR—tandai suhu >20°C di atas suhu sekitar atau titik panas di terminal. Inspeksi komprehensif tahunan (matikan dan kunci terlebih dahulu): Ukur resistansi kontak (5mΩ menunjukkan keausan); Periksa kontak untuk pitting (ganti jika kedalaman >0.5mm); Bersihkan kontak dengan pembersih kontak listrik (jangan pernah menggunakan oli atau gemuk); Ukur resistansi kumparan (harus sesuai dengan spesifikasi pabrikan ±20%); Uji resistansi isolasi kumparan ke rangka (harus >1MΩ); Verifikasi kontak bantu beroperasi dengan benar; Periksa tegangan pegas dan gerakan bebas armature; Bersihkan permukaan kutub untuk menghilangkan oksidasi; Kencangkan semua koneksi daya ke torsi yang ditentukan. Ganti ketika: Resistansi kontak >5mΩ; Kedalaman pitting >0.5mm; Retakan yang terlihat di rumah; Resistansi kumparan menyimpang >20% dari spesifikasi; Kontak telah dilas (bahkan sekali); Setelah >80% dari umur listrik pengenal. Kritis: Sebagian besar kontaktor modern bebas perawatan—jangan melumasi kecuali secara khusus diperlukan oleh pabrikan untuk jenis vakum atau draw-out yang besar.
Kesimpulan
Kontaktor adalah pahlawan tanpa tanda jasa dari sistem kelistrikan modern—dengan andal mengalihkan beban berat jutaan kali sepanjang masa pakainya, memungkinkan otomatisasi, melindungi operator dari tegangan berbahaya, dan memungkinkan kendali jarak jauh untuk peralatan dari motor kecil hingga susunan surya skala utilitas.
Memahami cara kerja kontaktor, cara memilihnya dengan benar, dan cara merawatnya mengubah Anda dari seseorang yang hanya mengganti komponen yang gagal menjadi profesional listrik yang merancang sistem yang andal. Pengetahuan dalam panduan ini—dari prinsip elektromagnetik hingga teknik pemecahan masalah—memberdayakan Anda untuk menentukan kontaktor yang tepat untuk setiap aplikasi, mendiagnosis masalah secara sistematis, dan mencegah kegagalan prematur melalui pemeliharaan preventif.
Apakah Anda seorang distributor listrik yang mencari komponen untuk pelanggan, seorang EPC yang merancang ladang surya, seorang manajer fasilitas yang bertanggung jawab atas waktu aktif, atau seorang teknisi pemeliharaan yang memecahkan masalah peralatan pada pukul 3 pagi, menguasai kontaktor sangat penting untuk kesuksesan Anda.
Mengapa Memilih Kontaktor VIOX?
Di VIOX Electric, kami memproduksi kontaktor kelas industri yang direkayasa untuk memenuhi persyaratan sistem kelistrikan modern yang menuntut:
Keunggulan Teknis:
- IEC 60947-4 & UL 508 bersertifikat untuk kepatuhan global
- Kontak paduan perak (AgCdO, AgNi) untuk konduktivitas superior dan ketahanan busur
- Rentang tegangan kumparan yang lebar (opsi 24V-400V AC/DC)
- Umur listrik yang diperpanjang: Hingga 2 juta operasi pada arus pengenal AC-3
- Opsi perlindungan lingkungan IP20-IP65
Keunggulan Bisnis:
- Harga langsung pabrik: 30-40% di bawah merek internasional
- Fleksibilitas MOQ: Mulai dengan 50 unit (pesanan sampel tersedia)
- Branding khusus: Layanan OEM/ODM untuk program label pribadi
- Waktu tunggu cepat: Produksi 15 hari untuk model standar
- Dukungan teknis: Bantuan rekayasa aplikasi tersedia
Jaminan Kualitas:
- Pengujian pabrik 100% sebelum pengiriman
- Kepatuhan terhadap CE, CCC, dan standar regional
- Garansi 2 tahun untuk semua kontaktor
- Manufaktur bersertifikasi ISO 9001
Siap mencari kontaktor yang andal untuk proyek Anda berikutnya? Hubungi VIOX hari ini untuk: untuk spesifikasi teknis, harga, sampel, dan dukungan rekayasa aplikasi. Tim insinyur listrik kami dapat membantu Anda menentukan solusi kontaktor optimal untuk motor, HVAC, solar PV, otomatisasi industri, atau aplikasi switching daya tinggi lainnya.
Artikel Terkait
- Kontaktor vs. Starter Motor: Memahami Perbedaan Utama
- Cara Menguji Kontaktor: Panduan Tingkat Keterampilan
- Kontaktor Keselamatan vs. Kontaktor Standar: Panduan Kontak yang Dipandu Paksa
- Kontaktor Modular vs. Kontaktor Tradisional
- Kontrol 2-Kawat vs. 3-Kawat: Panduan Keselamatan Motor
- Kontaktor vs. Relai: Memahami Perbedaan Utama
- Pemutus Sirkuit vs. Sakelar Isolator